EasyManua.ls Logo

Leitch DPS-475 - Chapter 13: Theory of Operations

Default Icon
248 pages
Print Icon
To Next Page IconTo Next Page
To Next Page IconTo Next Page
To Previous Page IconTo Previous Page
To Previous Page IconTo Previous Page
Loading...
Chapter 13:
Theory of Operations
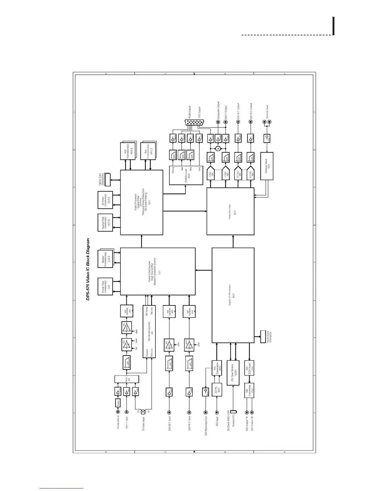
CHAPTER 13: THEORY OF OPERATIONS
85

Table of Contents

Related product manuals