EasyManua.ls Logo

MacDon R113 - Page 203

MacDon R113
234 pages
Print Icon
To Next Page IconTo Next Page
To Next Page IconTo Next Page
To Previous Page IconTo Previous Page
To Previous Page IconTo Previous Page
Loading...
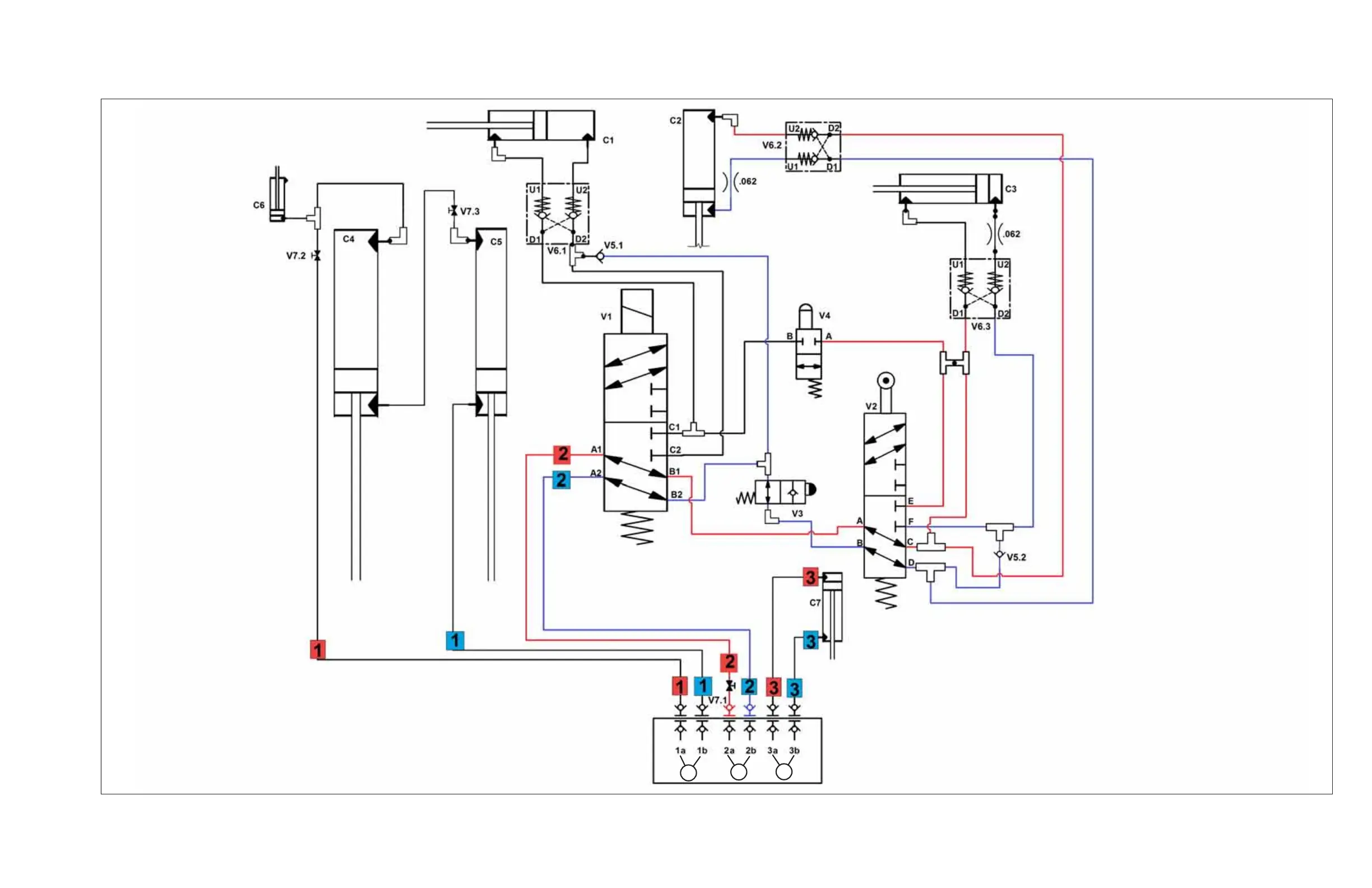
HYDRAULIC SCHEMATICS
Figure 10.4: Hydraulic Schematic Header Transport Deploy
1024902
A
B
C
214713 195 Revision A

Table of Contents

Other manuals for MacDon R113

Related product manuals