EasyManua.ls Logo

MacDon R113 - Page 205

MacDon R113
234 pages
Print Icon
To Next Page IconTo Next Page
To Next Page IconTo Next Page
To Previous Page IconTo Previous Page
To Previous Page IconTo Previous Page
Loading...
HYDRAULIC SCHEMATICS
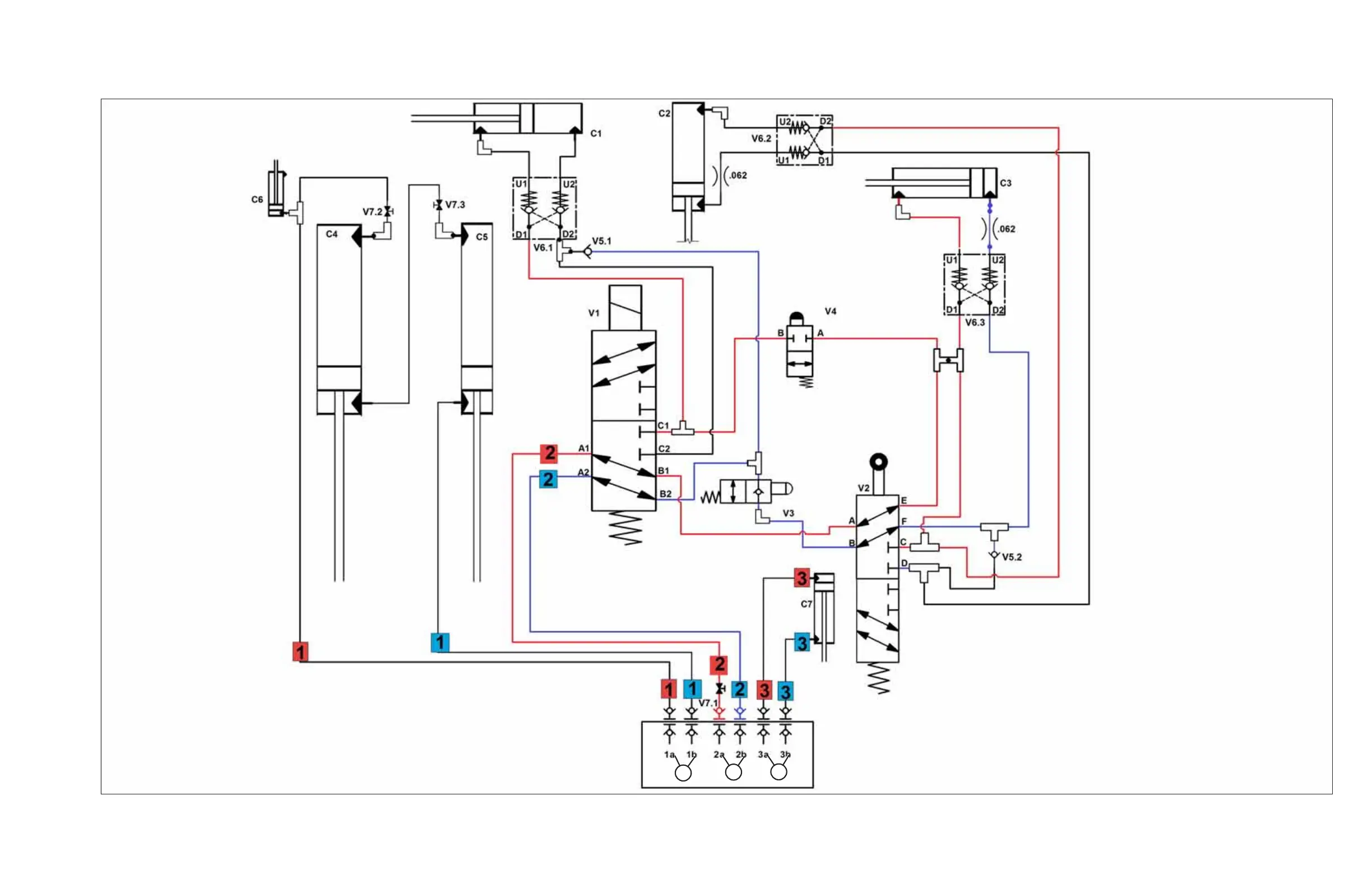
Figure 10.5: Hydraulic Schematic Header Transport Swing
10163481026368
A
B
C
214713 197 Revision A

Table of Contents

Other manuals for MacDon R113

Related product manuals