EasyManua.ls Logo

Microplex SOLID F90 HD - Printer Installation (Environment and Power Standards)

Microplex SOLID F90 HD
157 pages
Print Icon
To Next Page IconTo Next Page
To Next Page IconTo Next Page
To Previous Page IconTo Previous Page
To Previous Page IconTo Previous Page
Loading...
14 Installation
_______________________________________________________________________________________________
_______________________________________________________________________________________________
MICROPLEX Operator’s Manual SOLID F90 HD Edition 1.0
2.2. Printer Installation (Environment and Power Standards)
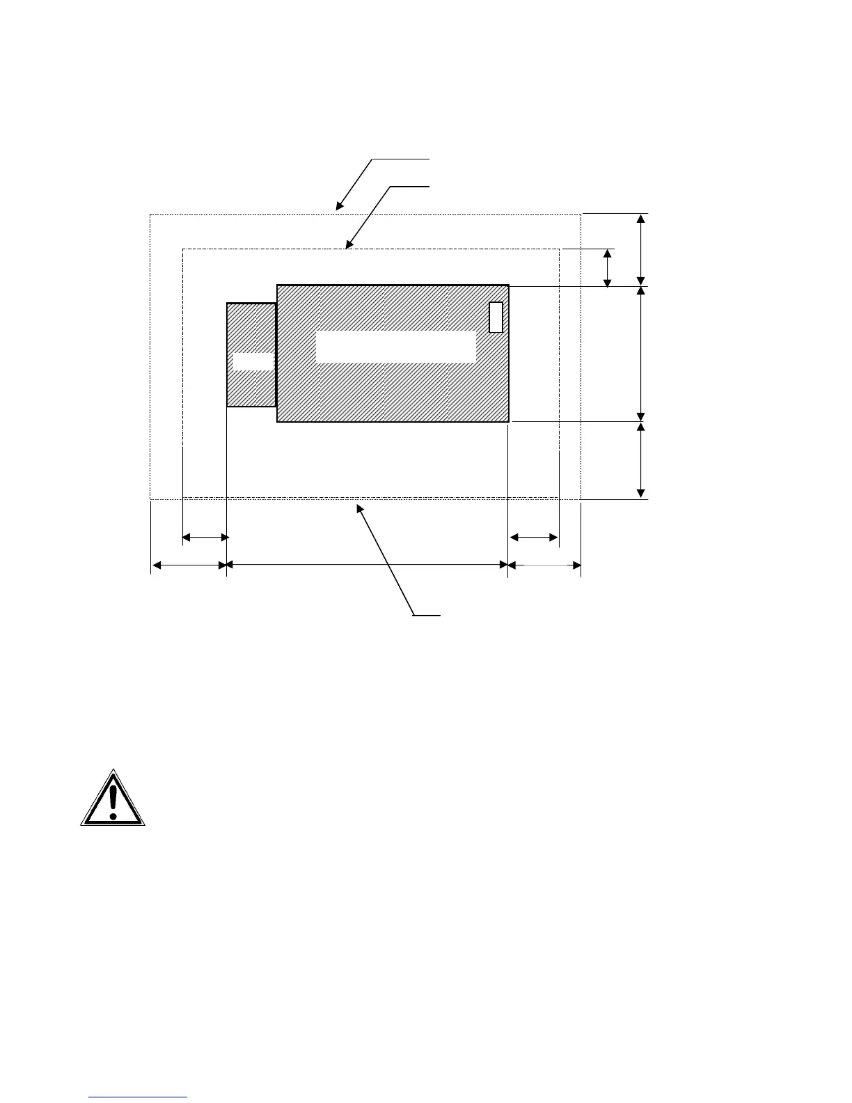
Fig. 2.2.a SOLID F90 HD: Required space (plan view)
- The chosen location should be well ventilated.
- Damaging environmental factors such as metal vapors, oil mist,
corroding lixivium or the like must not come in contact with the
printer.
- Position the printer on solid and level ground.
- Do not expose the printer to shocks or vibrations.
- The printer should not be located near volatile or combustible
materials (e.g. a curtain).
!
The printer’s first installation has to be done by a trained service
engineer.
Space required for maintenance service
Space required for usual printer operation
1000
1000
800
800
1 0 0 0
1 0 0 0
5 0 0
78 0
Space required when
front cover is open
( Unit : mm )
SOLID F90 HD
1320
Stacker
Front cover

Table of Contents

Related product manuals