EasyManua.ls Logo

REXROTH IndraDrive - Third-Party Supply Units; General Information

REXROTH IndraDrive
312 pages
Print Icon
To Next Page IconTo Next Page
To Next Page IconTo Next Page
To Previous Page IconTo Previous Page
To Previous Page IconTo Previous Page
Loading...
8.2.4 Third-Party Supply Units
General Information
HMS01 and HMD01 power sections are designed to be supplied via HMV
supply units or HCS converters. In exceptional cases, other supply units
(called "third-party supply units" in the following paragraphs) can be used as
supply units (e.g., SFT from the product range RD500). Third-party supply
units cause loading which requires additional measures.
The C-UL listing of HMS and HMD applies under the condition
that they are supplied by HMV supply units or HCS converters.
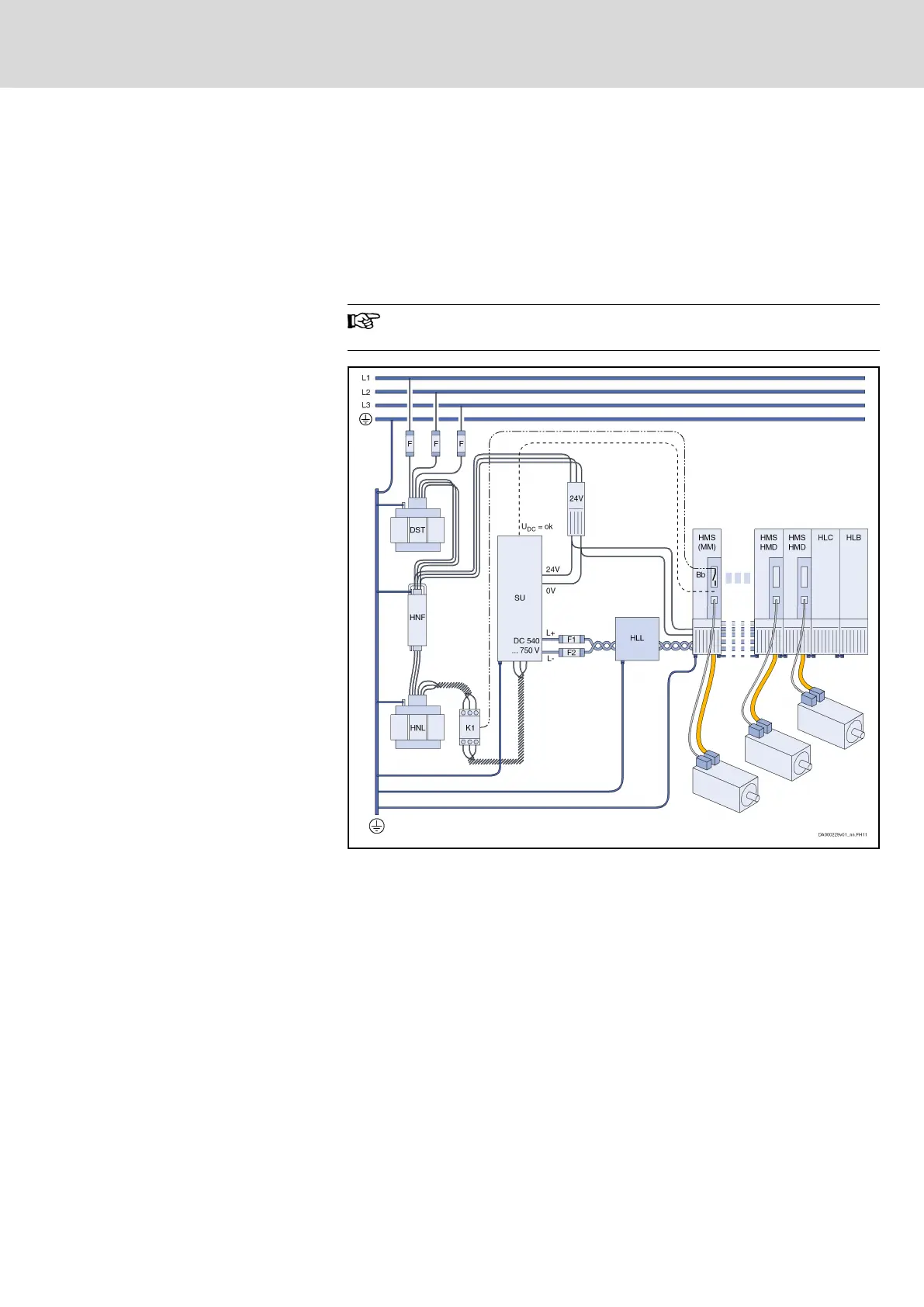
Block Diagram
HLL DC bus choke
MM Module bus master
SU Third-party supply unit
Fig.8-7: Third-Party Supply Unit With One Drive System
Notes on Project Planning
Only HMS01 / HMD01 inverters, as well as additional components HLB and
HLC, may be operated with third-party supply units.
Requirements to the third-party supply unit:
Minimum inductance: In the mains connection of the third-party supply
unit, install a mains choke with at least 100 μH.
DC bus voltage: The DC bus voltage of the third-party supply unit must
be in the range DC 540 750 V. Take the limit values U
DC_LIMIT_max
of
the supplied devices into account.
Allowed voltage control: Sine-wave modulation with f
s
≥ 4.2 kHz.
Third-party supply units with block modulation or flat-top modulation are
not allowed.
DOK-INDRV*-SYSTEM*****-PR06-EN-P
Rexroth IndraDrive Drive Systems with HMV01/02 HMS01/02, HMD01, HCS02/03
Bosch Rexroth AG 105/309
Configuring the Drive System

Table of Contents

Related product manuals