EasyManua.ls Logo

REXROTH IndraDrive - Fusing by Protective Grounding in TN-S Mains

REXROTH IndraDrive
312 pages
Print Icon
To Next Page IconTo Next Page
To Next Page IconTo Next Page
To Previous Page IconTo Previous Page
To Previous Page IconTo Previous Page
Loading...
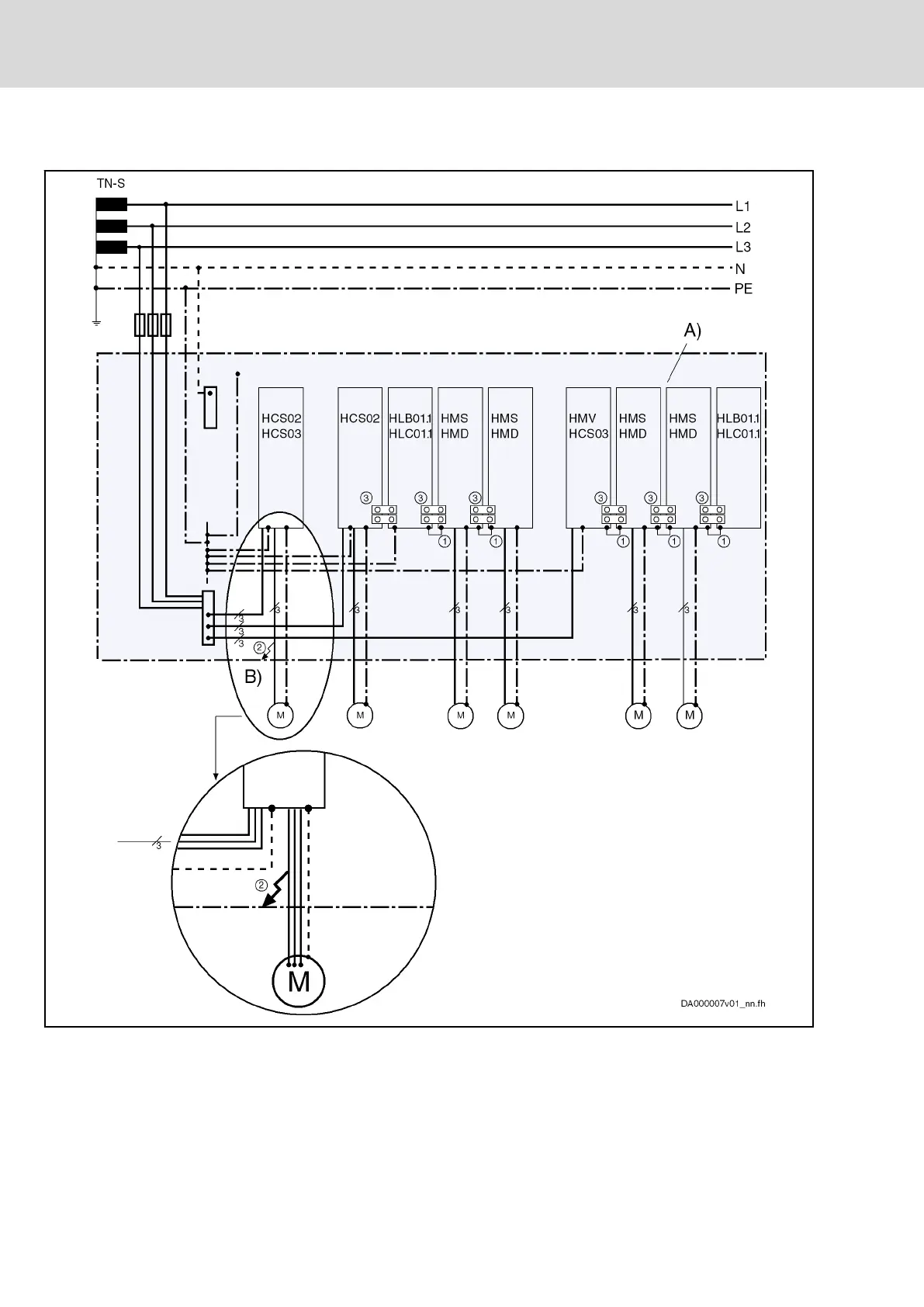
Fusing by Protective Grounding in TN-S Mains
A) Control cabinet
B) Error
Joint bar equipment grounding conductor
Aim of protective measures: Contact voltage < 50 V at housing
DC bus connection L+/L-
Fig.7-11: Protection Against Contact by Protective Grounding with Overcurrent
Protection Device in TN-S Mains
Bosch Rexroth AG DOK-INDRV*-SYSTEM*****-PR06-EN-P
Rexroth IndraDrive Drive Systems with HMV01/02 HMS01/02, HMD01, HCS02/03
86/309
Project Planning of Mains Connection

Table of Contents

Related product manuals