EasyManua.ls Logo

REXROTH IndraDrive - Parallel Operation HMV01; Deceleration in the Case of Disturbed Electronic System of Drive (DC Bus Short Circuit Is Activated); General Information

REXROTH IndraDrive
312 pages
Print Icon
To Next Page IconTo Next Page
To Next Page IconTo Next Page
To Previous Page IconTo Previous Page
To Previous Page IconTo Previous Page
Loading...
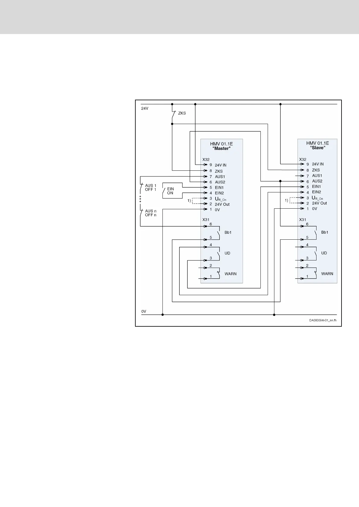
9.4.2 Parallel Operation HMV01
For the type of mains connection "group supply with DC bus connection", use
the control circuit master-slave when using HMV01.1E supply units. See the
block diagram below:
Control Circuit for Parallel Operation HMV01.1E Master-Slave
1) Braking resistor switch-on threshold activated
Fig.9-7: Block Diagram Control Circuit Master-Slave for Parallel Operation
HMV01.1E
9.4.3 Deceleration in the Case of Disturbed Electronic System of Drive (DC
Bus Short Circuit is Activated)
General Information
DC Bus Short Circuit ZKS
If the electronic system of the drive is disturbed, motors can coast in an un‐
controlled way. In these cases, it is possible to short-circuit the DC bus volt‐
age as a measure in addition to shutdown with deceleration of the drives in
case the electronic system is disturbed.
In HMV supply units (exception: HMV01.1R-W0120), a circuit has been inte‐
grated which can discharge the DC bus as quickly as possible to low voltage.
This circuit is called DC bus short circuit (ZKS). With active DC bus short cir‐
cuit, a low-impedance resistor is connected to the DC bus between L+ and L-
via a wear-free switch.
DOK-INDRV*-SYSTEM*****-PR06-EN-P
Rexroth IndraDrive Drive Systems with HMV01/02 HMS01/02, HMD01, HCS02/03
Bosch Rexroth AG 155/309
Circuits for the Mains Connection

Table of Contents

Related product manuals