EasyManua.ls Logo

REXROTH IndraDrive - Page 172

REXROTH IndraDrive
312 pages
Print Icon
To Next Page IconTo Next Page
To Next Page IconTo Next Page
To Previous Page IconTo Previous Page
To Previous Page IconTo Previous Page
Loading...
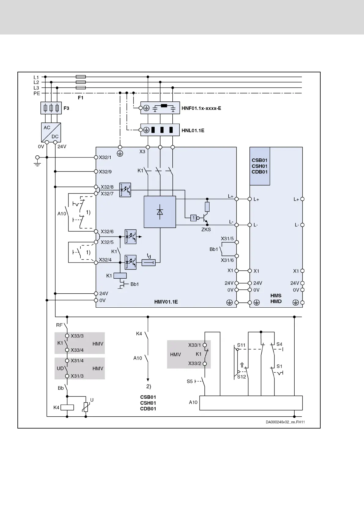
Example Control Circuit "Without DC Bus Short Circuit (ZKS)" for the Mains Connection of HMV01.1E Supply
Units With Integrated Mains Contactor (e.g. HMV01.1E-W0030, -W0070, -W0120)
F1 Fuse of power supply
F3 Fuse of 24V power supply unit
1) Control of K1, if A10 is not used
Bosch Rexroth AG DOK-INDRV*-SYSTEM*****-PR06-EN-P
Rexroth IndraDrive Drive Systems with HMV01/02 HMS01/02, HMD01, HCS02/03
170/309
Circuits for the Mains Connection

Table of Contents

Related product manuals