EasyManua.ls Logo

REXROTH IndraDrive - Page 24

REXROTH IndraDrive
312 pages
Print Icon
To Next Page IconTo Next Page
To Next Page IconTo Next Page
To Previous Page IconTo Previous Page
To Previous Page IconTo Previous Page
Loading...
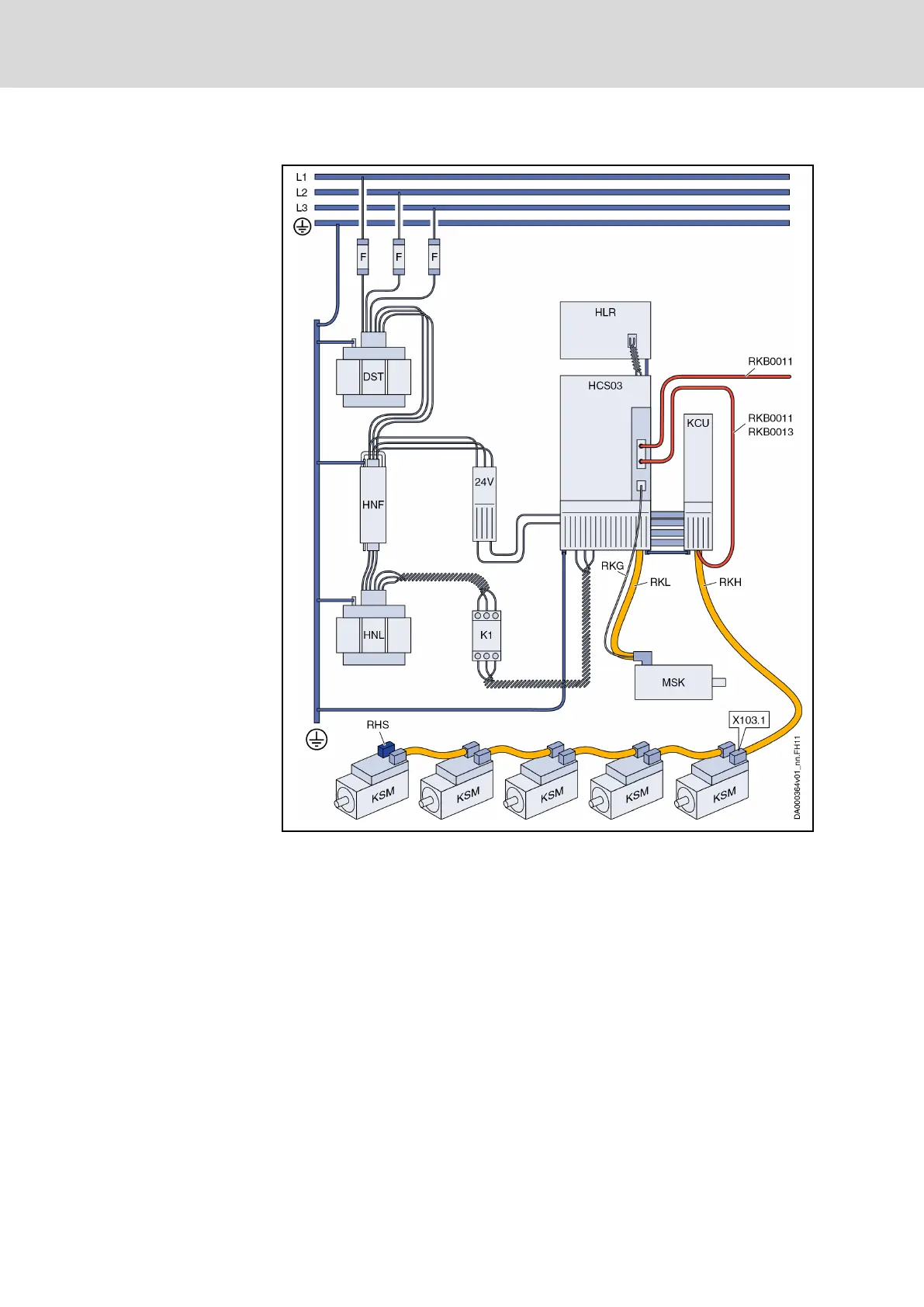
Drive System Rexroth IndraDrive with HCS03 Supply Unit:
DST Transformer (optional)
F Fuses
HCS03 Converter
HLR Braking resistor (optional)
HNF Mains filter
HNL Mains choke (optional)
K1 Mains contactor
KCU Drive connection box
KSM Motor-integrated servo drive
MSK Servo motor
RHS Terminal connector
RKB Communication cable
RKH Hybrid cable
RKG Encoder cable
RKL Motor cable
24V 24V supply
X103.1 Connection of hybrid cable at first KSM
Fig.1-9: Drive System Rexroth IndraDrive with HCS03
Bosch Rexroth AG DOK-INDRV*-SYSTEM*****-PR06-EN-P
Rexroth IndraDrive Drive Systems with HMV01/02 HMS01/02, HMD01, HCS02/03
22/309
System Presentation

Table of Contents

Related product manuals