EasyManua.ls Logo

SICK FLOWSIC200 - Page 48

SICK FLOWSIC200
122 pages
Print Icon
To Next Page IconTo Next Page
To Next Page IconTo Next Page
To Previous Page IconTo Previous Page
To Previous Page IconTo Previous Page
Loading...
48 FLOWSIC200 · Operating Instructions · 8013271/1CJ9/V 2-0/2022-01 · © SICK Engineering GmbH
Assembly and installation
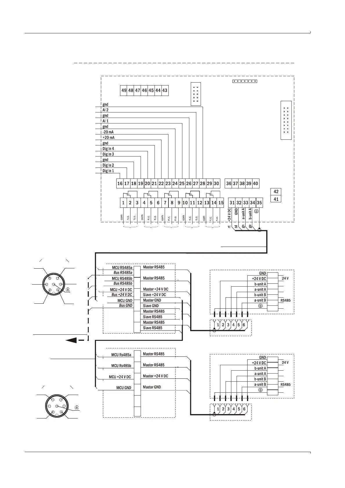
Bus wiring
Fig. 29 Bus wiring
FLSE200 Slave (B)
FLSE200 Master (A)
Junction box
MCU
Junction box
Connection cable
(length: 2/25 m)
connection cable
(length 2/25 m)
Onsite cable *
Assignment plug
connector Slave
RS485 to Master
4 3
GN YE
6 1
BU RD
Assignment plug
connector Master
RS485 to MCU
4 3
GN YE
6 1
BU RD
5 2
PK GY
On-site cable to additional
measuring points for bus
wiring (max. 8) *
Operation/
malfunction
Mainte-
nance
Check cycle
Mainte-
nance
request
Limit value
Switching position of the relay
contacts in currentless
condition
Maintenance
Check cycle
On-site cable *
*: The wire colors are only used to identify the terminals to be connected with each other.
GN
YE
RD
BU
GN
YE
WH
BN
GN
YE
RD
BU
GN
YE
RD
WH
BU
BN
PK
GN
GY
YE

Table of Contents

Related product manuals