EasyManua.ls Logo

Siemens MC55 - 16 Audio Commands; Audio Programming Model; Figure 16.1: Audio Programming Model

Siemens MC55
469 pages
Print Icon
To Next Page IconTo Next Page
To Next Page IconTo Next Page
To Previous Page IconTo Previous Page
To Previous Page IconTo Previous Page
Loading...
MC55 AT Command Set
16. Audio Commands
s
m
obil
e
MC55_ATC_V01.05 Page 392 of 469 2/10/04
Confidential / Released
16. Audio Commands
The AT Commands described in this chapter are related to the MC55's audio interface.
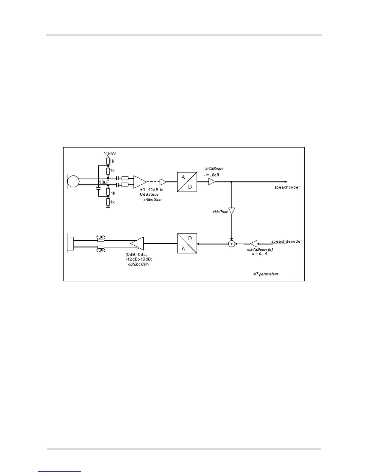
16.1 Audio programming model
The following figure illustrates how the signal path can be adjusted with the parameters <inCalibrate>,
<inBbcGain>, <outBbcGain>, <outCalibrate> and <sideTone>.
Figure 16.1: Audio programming model

Table of Contents

Related product manuals