EasyManua.ls Logo

Simphoenix V800 Series - Page 173

Default Icon
246 pages
Print Icon
To Next Page IconTo Next Page
To Next Page IconTo Next Page
To Previous Page IconTo Previous Page
To Previous Page IconTo Previous Page
Loading...
Description Of Specific Functions 165
V800 Series High Performance Closed-Loop Vector Inverter User Manual
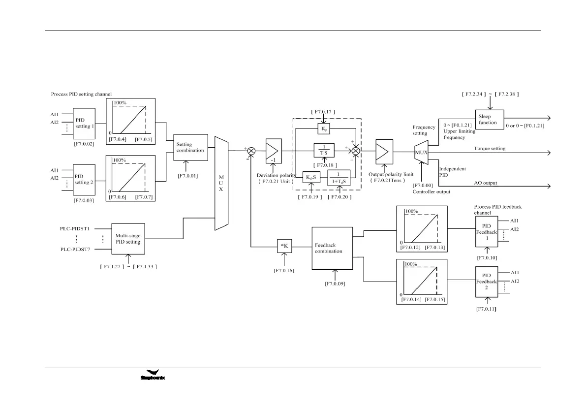
Refer to the following figure for the structure of Process PID and functions of each functional parameters:
Figure 7-51 Schematic block of process PID control

Table of Contents

Related product manuals