EasyManua.ls Logo

Simphoenix V800 Series - 4.5 WIRING CONNECTION OF BASIC OPERATION

Default Icon
246 pages
Print Icon
To Next Page IconTo Next Page
To Next Page IconTo Next Page
To Previous Page IconTo Previous Page
To Previous Page IconTo Previous Page
Loading...
Wiring Of Frequency Inverter
V800 Series High Performance Closed-Loop Vector Inverter User Manual
30
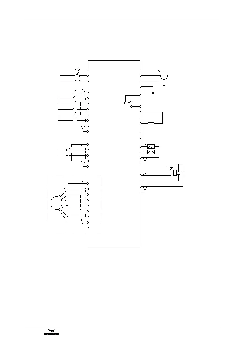
4.5 WIRING CONNECTION OF BASIC OPERATION
Applicable type: V800-4T0011G/4T0015P V800-4T8000G/4T9000P
(Built in brake unit in the inverter below V800-4T0220G/4T0300P)
Figure 4-3 Basic wiring diagram for V800 series frequency inverter
E
+12V
GD
A+
A-
B+
B-
Z+
Z-
PG
Open collector
output
E
DO1
DO2
CM
Volt gauge0-10V/Ammeter0-20mA)
GND
AO2
AO1
E
Auxiliary power
supply
CM
24V
Connected to
braking resistor
P-
P+
PB
V800
Programmable
output
TC
TA
TB
Grounding
E
Motor
M
U
V
W
0-20mA frequency
0- 10V frequency
VS
AI1
AI2
GND
E
T
S
E
CM
DI6
DI5
DI4
DI3
DI2
DI1
R
PG expansion card(otonal)
Three-phase breaker
Three-phase breaker
Volt gauge0-10V/Ammeter0-20mA)

Table of Contents

Related product manuals