EasyManua.ls Logo

Simphoenix V800 Series - Page 186

Default Icon
246 pages
Print Icon
To Next Page IconTo Next Page
To Next Page IconTo Next Page
To Previous Page IconTo Previous Page
To Previous Page IconTo Previous Page
Loading...
Description Of Specific Functions 178
V560 Series High Performance Closed-Loop Vector Inverter User Manual
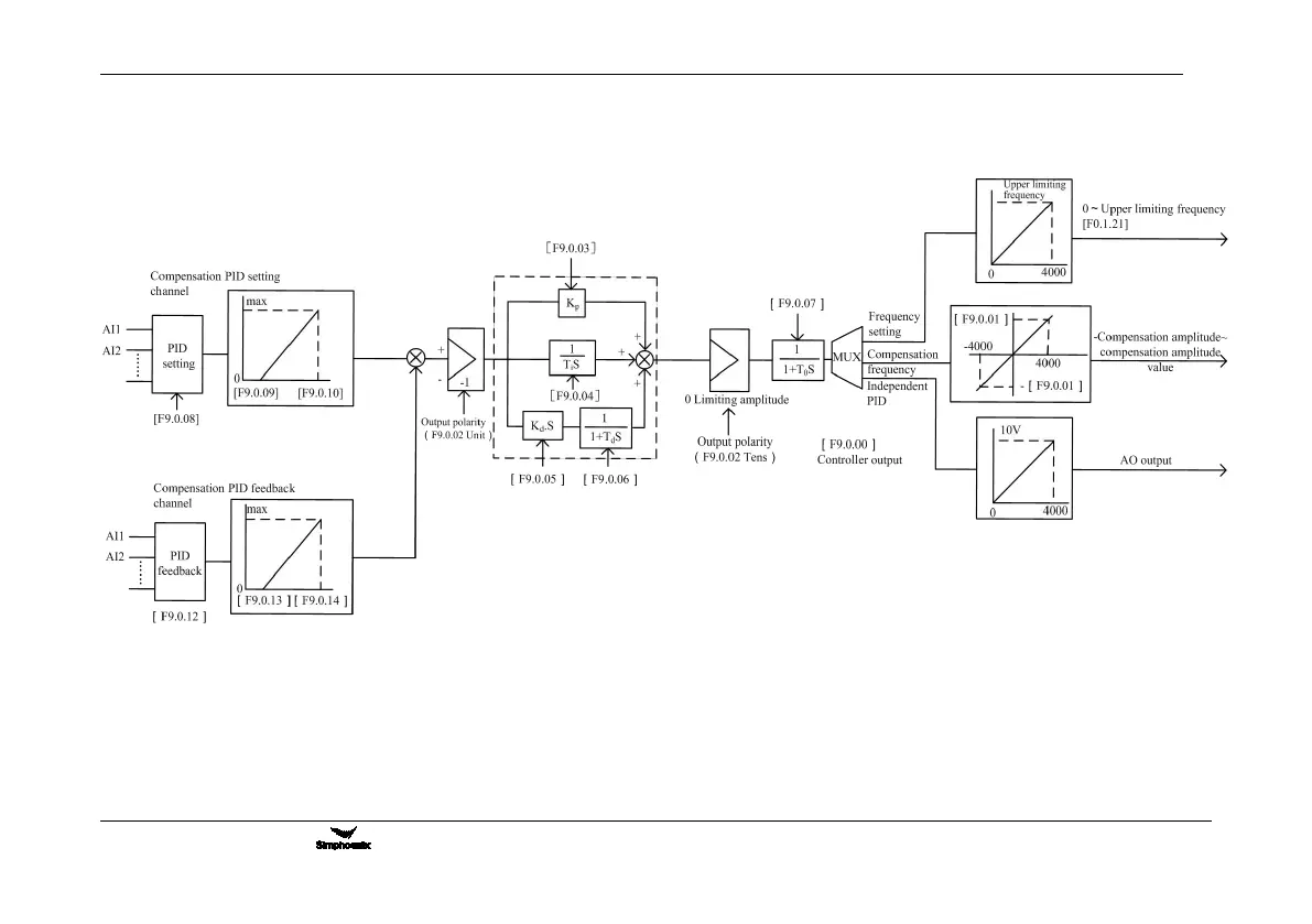
Refer to the following figure for the structure of compensation PID and functions of each functional parameter:
Figure 7-64 Schematic block of compensation PID

Table of Contents

Related product manuals