EasyManua.ls Logo

Vertiv Liebert STS2 - Circuit Breakers

Vertiv Liebert STS2
160 pages
Print Icon
To Next Page IconTo Next Page
To Next Page IconTo Next Page
To Previous Page IconTo Previous Page
To Previous Page IconTo Previous Page
Loading...
Vertiv | Liebert® STS2/PDU
User Manual | Rev. 6 | 10/2017 10
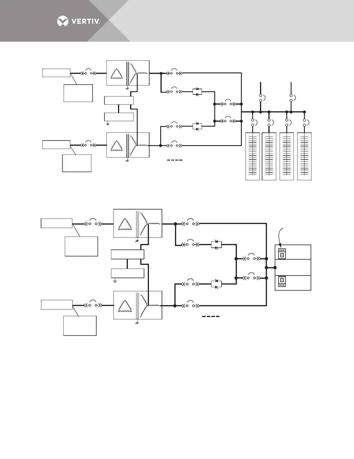
Figure 5 Typical Liebert STS2/PDU, one-line diagram, with inline distribution, dual static switch output circuit breakers
Figure 6 Typical Liebert STS2/PDU, one-line diagram, with I-Line distribution, dual static switch output circuit breakers
The input and output power wire size should be based on the overcurrent protection device, observing the NEC
and local codes.
Source 1
Source 2
Surge
Suppression
Optional
Surge
Suppression
Optional
Transformer 1
Transformer 2
Ground
CB6
CB4
Subfeed 1
Optional
Subfeed 2
Optional
CB1
CB2
CB5
CB7
SS1
SS2
Field-Supplied Wiring
42-Pole Distribution
Panelboard, Typical
PSP12003
Rev. 3
CB3
CB12
CB13
CB3A
Neutral
CB8 CB9 CB10 CB11
Source 1
Source 2
Surge
Suppression
Optional
Surge
Suppression
Optional
Transformer 1
Transformer 2
Ground
CB6
CB4
CB1
Output
Breaker(s)
I-Line Panelboard
CB2
CB5
CB7
SS1
SS2
Field-Supplied Wiring
PSP12001
Rev. 2
CB3
CB3A
Neutral

Table of Contents

Other manuals for Vertiv Liebert STS2

Related product manuals