EasyManua.ls Logo

Vertiv Liebert STS2 - Figure 45 Control Wiring, 800 A Liebert STS2;PDU, Left Side Distribution

Vertiv Liebert STS2
160 pages
Print Icon
To Next Page IconTo Next Page
To Next Page IconTo Next Page
To Previous Page IconTo Previous Page
To Previous Page IconTo Previous Page
Loading...
Vertiv | Liebert® STS2/PDU
User Manual | Rev. 6 | 10/2017 55
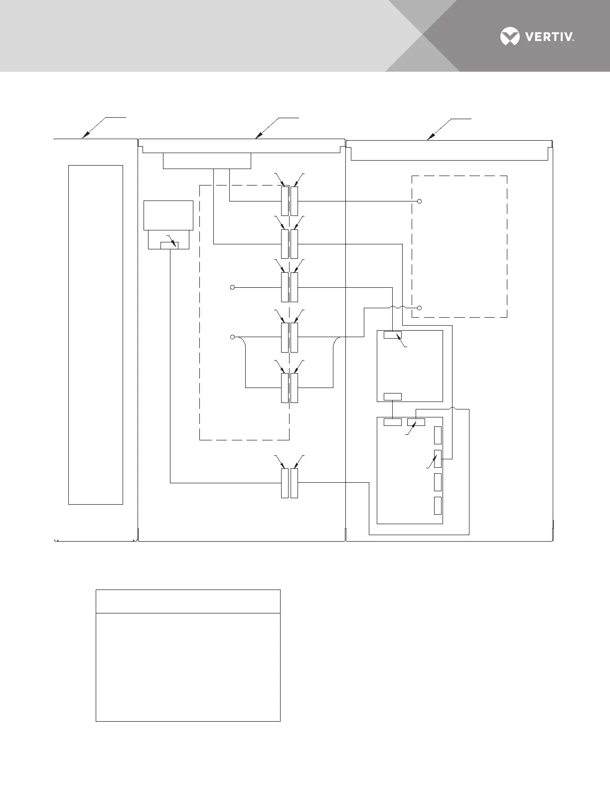
Figure 45 Control wiring, 800A Liebert STS2/PDU, left side distribution
PSP13801
Rev. 0
CONNECT THE FOLLOWING
CN15 Cap to CN15 Plug
CN25 Cap to CN25 Plug
CN31 Cap to CN31 Plug
CN33 Cap to CN33 Plug
CN34 Cap to CN34 Plug
CN35 Cap to CN35 Plug
FRONT
Accent Panels Not Shown
STS
Section
STS
AREA
Distribution
Section
Breaker
Section
Breaker
Area
Fan Assembly
CN25
(Plug)
CN33
(Plug)
CN25
(Cap)
CN33
(Cap)
CN15
(Cap)
Display
HMI
CN15
(Plug)
CN34
(Plug)
CN34
(Cap)
CN31
(Plug)
CN35
(Plug)
CN35
(Cap)
CN31
(Cap)
P66
VI
Board
P999
Monitor
Board
P17
P4

Table of Contents

Other manuals for Vertiv Liebert STS2

Related product manuals