EasyManua.ls Logo

Yamaha F50A - Page 14

Yamaha F50A
403 pages
Print Icon
To Next Page IconTo Next Page
To Next Page IconTo Next Page
To Previous Page IconTo Previous Page
To Previous Page IconTo Previous Page
Loading...
GEN
INFO
General information
1-9
62Y3A11
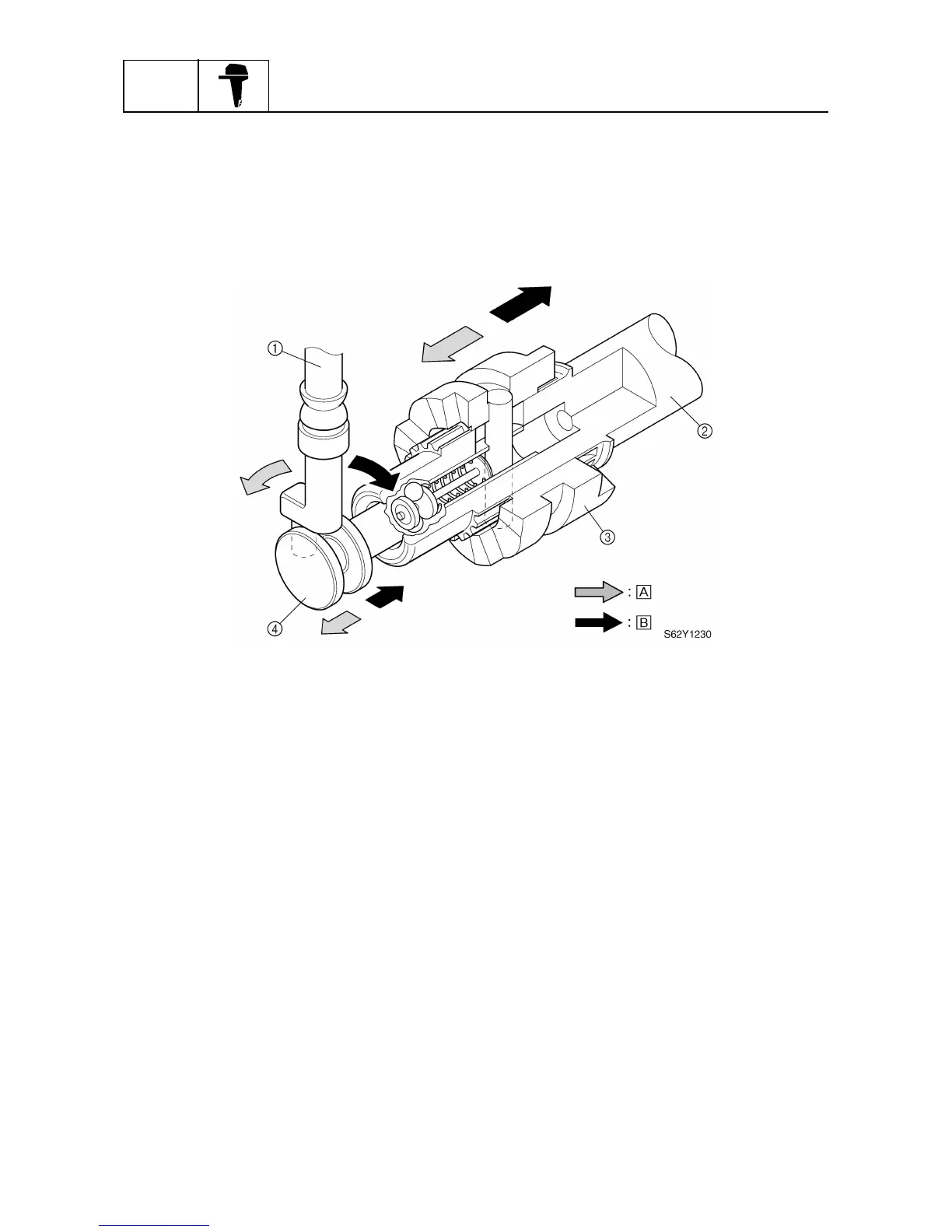
Shift slider type shift mechanism
The T50/FT50B, FT50C has adopted the shift slider type shift mechanism. This shift mechanism
enables a prompt engagement of the dog clutch regardless of the operating speed of the shift lever.
Thus, smooth and positive shift operation has been made possible.
1
Shift rod
2
Propeller shaft
3
Dog clutch
4
Shift slider
È
Forward
É
Reverse

Table of Contents

Other manuals for Yamaha F50A

Related product manuals