EasyManua.ls Logo

Yamaha F50A - Electrical Components; Starboard and Port Views

Yamaha F50A
403 pages
Print Icon
To Next Page IconTo Next Page
To Next Page IconTo Next Page
To Previous Page IconTo Previous Page
To Previous Page IconTo Previous Page
Loading...
ELEC
Electrical systems
+
8-5
62Y3A11
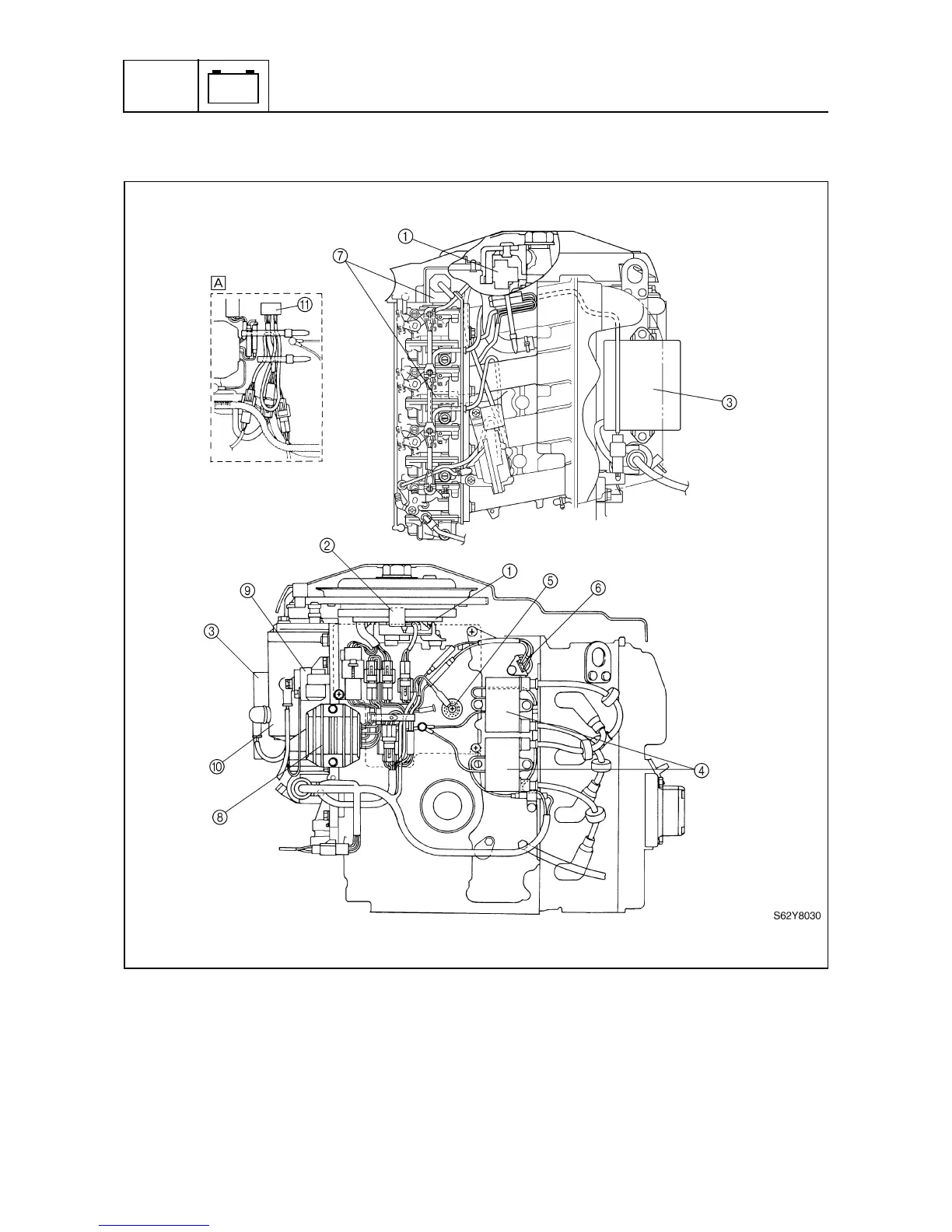
Electrical components
8
Starboard and port views
1
Stator
2
Pulser coil
3
CDI unit
4
Ignition coil
5
Oil pressure switch
6
Thermoswitch
7
Prime Start
8
Rectifier Regulator
9
Starter relay
0
Starter motor
A
PTT switch coupler
È
Power trim and tilt model with tiller handle

Table of Contents

Other manuals for Yamaha F50A

Related product manuals