EasyManua.ls Logo

Yamaha F50A - Fuel Filter and Fuel Pump

Yamaha F50A
403 pages
Print Icon
To Next Page IconTo Next Page
To Next Page IconTo Next Page
To Previous Page IconTo Previous Page
To Previous Page IconTo Previous Page
Loading...
FUEL
Fuel system
4-7
62Y3A11
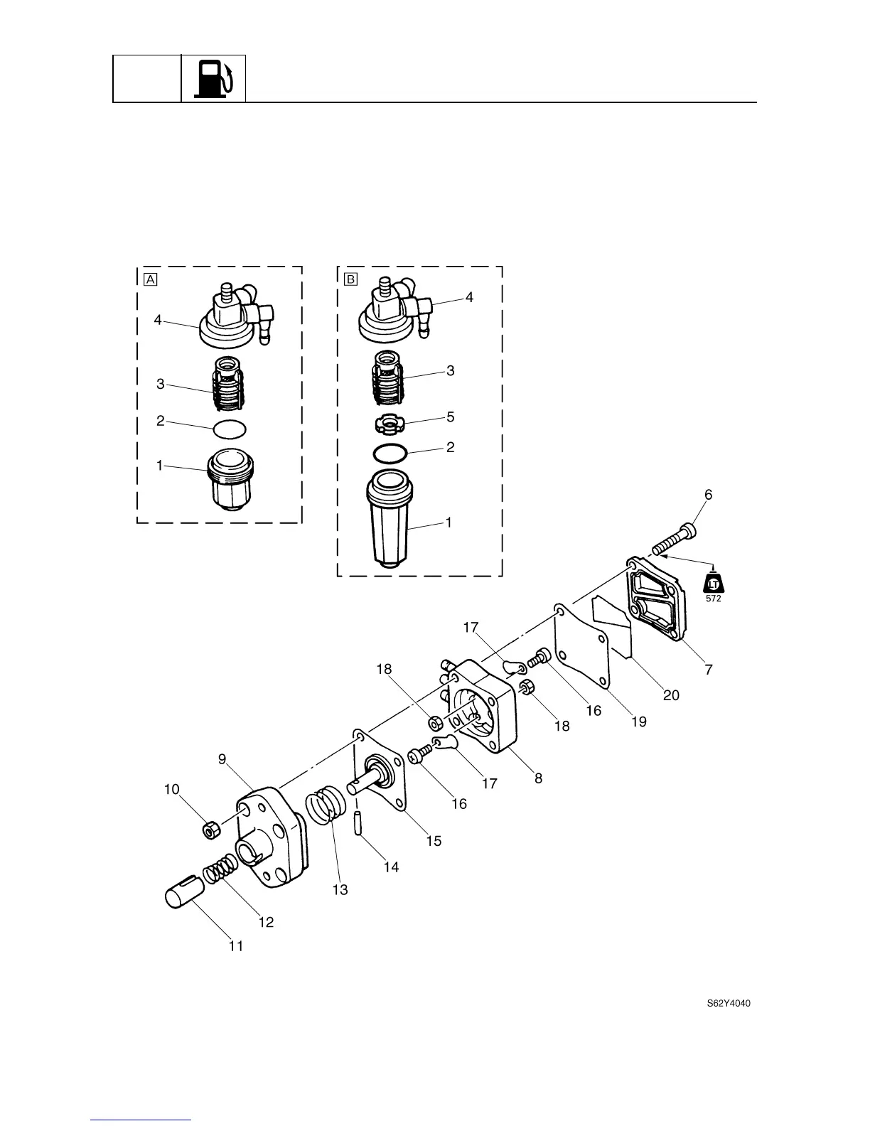
Fuel filter and fuel pump
4

Table of Contents