EasyManua.ls Logo

Yamaha F50A - Shimming (F50) (for USA and Canada)

Yamaha F50A
403 pages
Print Icon
To Next Page IconTo Next Page
To Next Page IconTo Next Page
To Previous Page IconTo Previous Page
To Previous Page IconTo Previous Page
Loading...
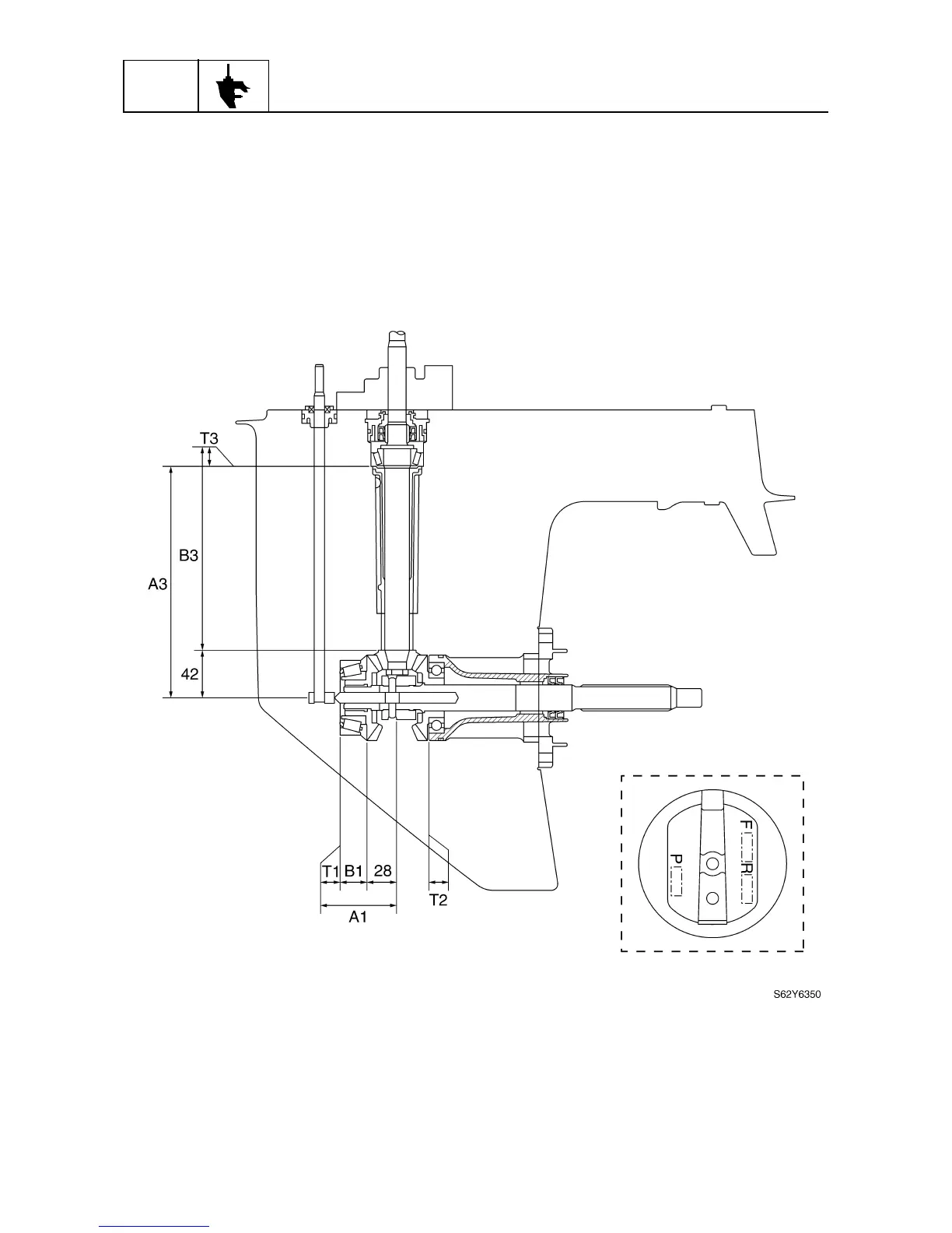
LOWR
Lower unit
6-31
62Y3A11
Shimming (F50) (for USA and Canada)
6

Table of Contents

Other manuals for Yamaha F50A

Related product manuals