EasyManua.ls Logo

Yamaha F50A - Wiring Harness

Yamaha F50A
403 pages
Print Icon
To Next Page IconTo Next Page
To Next Page IconTo Next Page
To Previous Page IconTo Previous Page
To Previous Page IconTo Previous Page
Loading...
62Y3A11
8-10
1
2
3
4
5
6
7
8
I
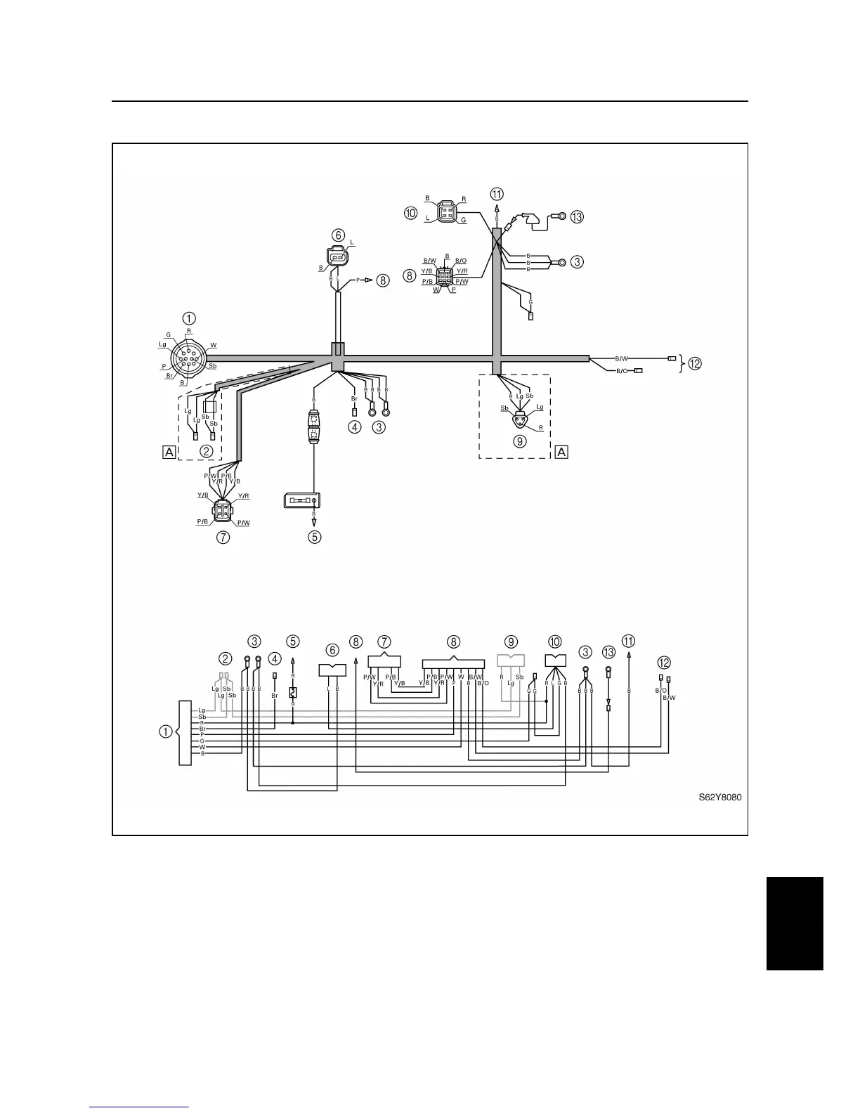
Wiring harness
8
Connect to:
1
Tiller handle main
switch or remote
control box or wiring
harness extension
2
Power trim and tilt
relay
3
Ground
4
Starter relay
5
Positive battery lead
6
Prime Start
7
Warning indicator or
digital tachometer
8
CDI unit
9
Power trim and tilt
switch or trailer switch
0
Rectifier Regulator
A
Thermoswitch
B
Ignition coil
C
Oil pressure switch
È
Power trim and tilt
model
B: Black
Br : Brown
G: Green
L: Blue
Lg : Light green
P: Pink
R: Red
Sb : Sky blue
W: White
B/O : Black/orange
B/W : Black/white
P/B : Pink/black
P/W : Pink/white
Y/B : Yellow/black
Y/R : Yellow/red
Electrical components / Wiring harness

Table of Contents

Other manuals for Yamaha F50A

Related product manuals