EasyManua.ls Logo

Yamaha F50A - Removing the Cylinder Head

Yamaha F50A
403 pages
Print Icon
To Next Page IconTo Next Page
To Next Page IconTo Next Page
To Previous Page IconTo Previous Page
To Previous Page IconTo Previous Page
Loading...
POWR
Power unit
5-39
62Y3A11
Removing the cylinder head
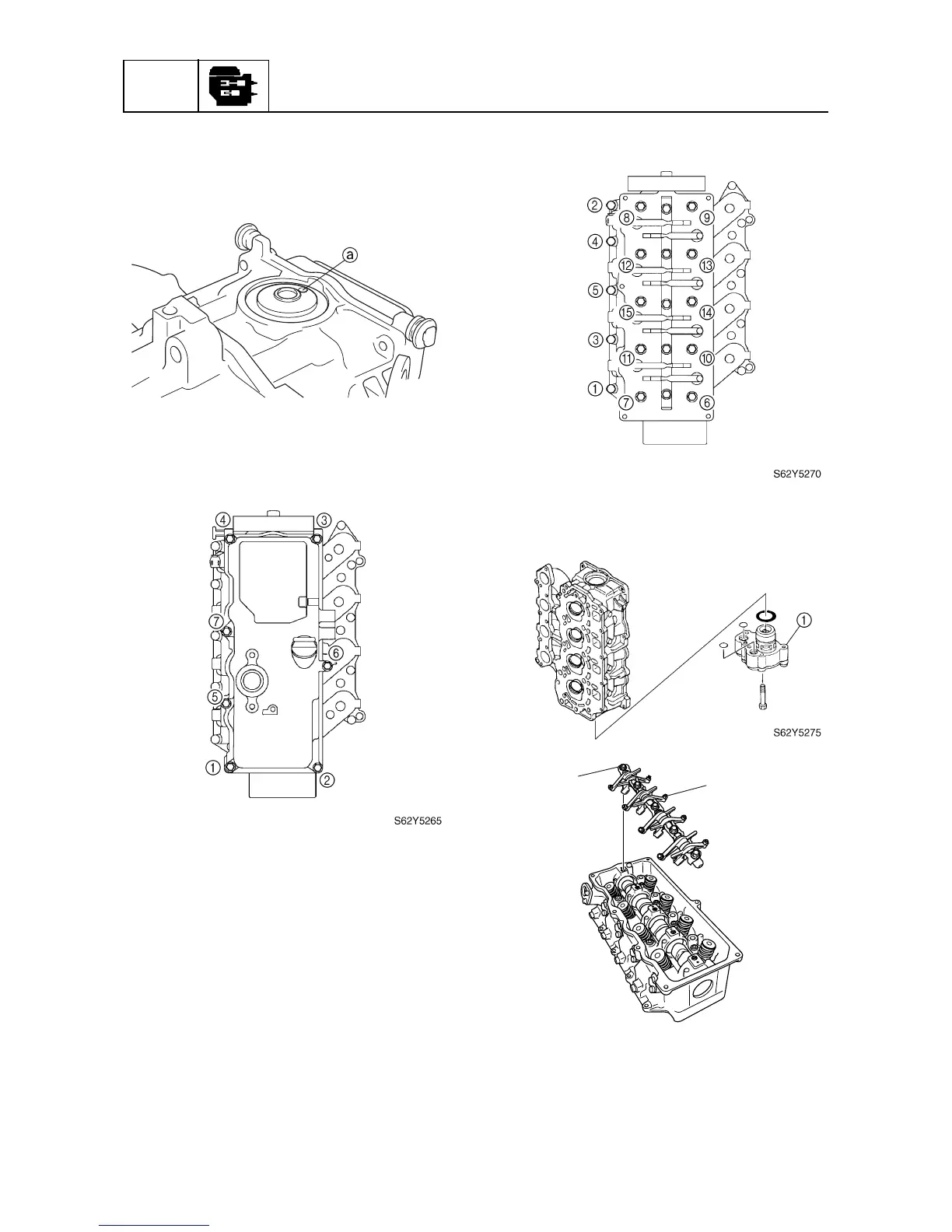
1. Check that the camshaft dowel pin hole
a
is in the position shown in the illustra-
tion. Adjust if necessary.
2. Remove the cylinder head cover bolts in
the sequence shown.
3. Remove the cylinder head bolts in the
sequence shown.
4. Remove the oil pump
1
, rocker arm
assembly
2
, and rocker arm shaft
3
.
S62Y5260
S62Y5276
2
3

Table of Contents

Other manuals for Yamaha F50A

Related product manuals