EasyManua.ls Logo

Yamaha F50A - Page 192

Yamaha F50A
403 pages
Print Icon
To Next Page IconTo Next Page
To Next Page IconTo Next Page
To Previous Page IconTo Previous Page
To Previous Page IconTo Previous Page
Loading...
POWR
Power unit
5-65
62Y3A11
5. Install the piston with the UP mark on
the piston crown facing towards the fly-
wheel.
È
For USA and Canada
É
For worldwide
NOTE:
Apply engine oil to side of the piston assem-
bly.
6. Install half of the bearings
9
into the cyl-
inder body
0
.
NOTE:
Insert the projection
f
of the bearing into the
notch in the cylinder body.
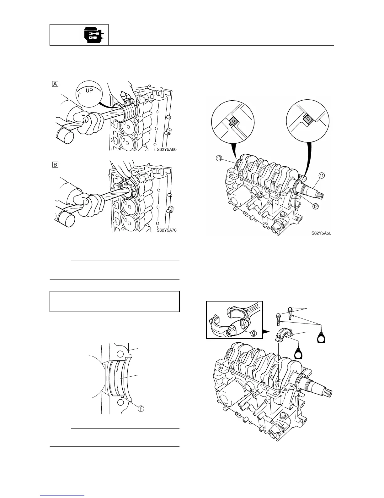
7. Set the crankshaft
A
, and oil seals
B
and
C
into the cylinder body as shown.
Apply engine oil to the inner oil seal, jour-
nal bearings, and connecting rod bear-
ing.
8. Install the connecting rod cap
8
to the
connecting rod, and then tighten the con-
necting rod bolts
D
to the specified
torques in two stages. Apply engine oil to
the connecting rod cap and connecting
rod bolt.
Piston ring compressor: YU-33294
Piston slider: 90890-06529
S62Y5A81
0
9
S62Y5A80
8
D
E
E

Table of Contents

Other manuals for Yamaha F50A

Related product manuals