EasyManua.ls Logo

Yamaha F50A - Page 298

Yamaha F50A
403 pages
Print Icon
To Next Page IconTo Next Page
To Next Page IconTo Next Page
To Previous Page IconTo Previous Page
To Previous Page IconTo Previous Page
Loading...
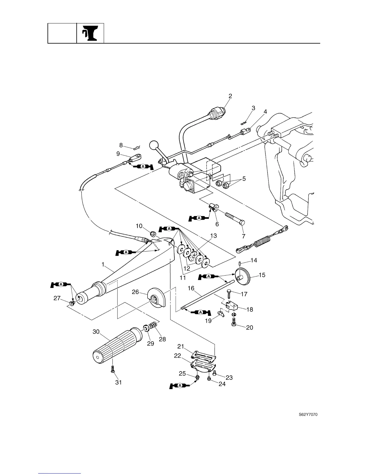
BRKT
Bracket unit
7-19
62Y3A11

Table of Contents

Other manuals for Yamaha F50A

Related product manuals