EasyManua.ls Logo

Centroid M400 - Mirror

Centroid M400
302 pages
Print Icon
To Next Page IconTo Next Page
To Next Page IconTo Next Page
To Previous Page IconTo Previous Page
To Previous Page IconTo Previous Page
Loading...
M-Series Operator’s Manual 4/9/2015 10-40
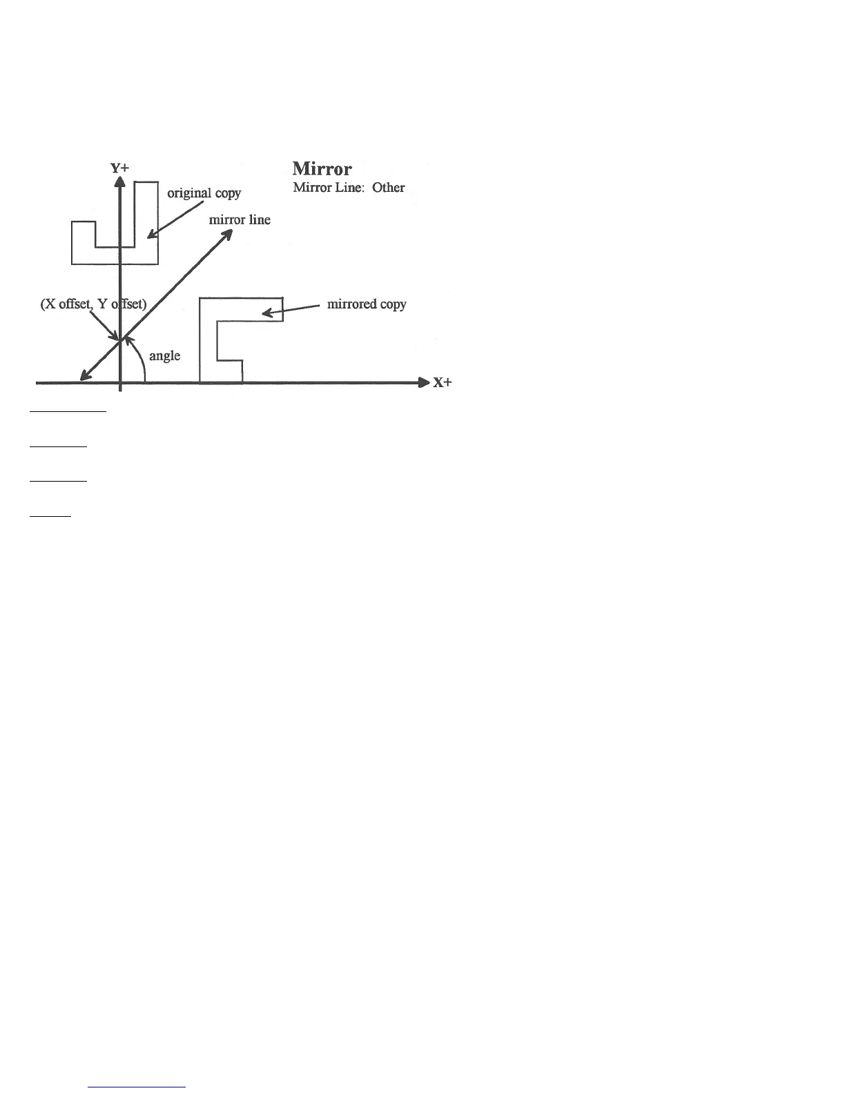
Mirror (F3 in the Insert Subprogram Menu)
The Mirror feature is useful for reflecting a part contour over a line. The contour formed by these operations may
either be closed or open.
Mirror Line: Specifies the type of mirror line to use. Choices are Horizontal, Vertical and Other (user-defined).
X Offset: Specifies the X coordinate on the Mirror Line. This field will not be visible for a horizontal mirror line.
Y Offset: Specifies the Y coordinate on the Mirror Line. This field will not be visible for a vertical mirror line.
Angle: Specifies the angle (from the three o'clock position) of the Mirror Line. This field will only be visible for a
user-defined mirror line and is used in conjunction with the X Offset and Y Offset fields to define the mirror line.

Table of Contents

Related product manuals