EasyManua.ls Logo

Centroid M400 - Drilling

Centroid M400
302 pages
Print Icon
To Next Page IconTo Next Page
To Next Page IconTo Next Page
To Previous Page IconTo Previous Page
To Previous Page IconTo Previous Page
Loading...
M-Series Operator’s Manual 4/9/2015 10-16
Drilling (F1 in the Canned Cycle Menu: option #1)
If you press F1 - Drill from the Canned Cycle Menu, you will gain access to three types of drilling operations:
Drilling, Chip Breaking, and Deep Hole drilling. The current drilling operation in use is reflected in the field “Cycle
Type” and pressing F3 - Toggle or SPACE toggles between all three. In this section we will examine the first option:
Drilling.
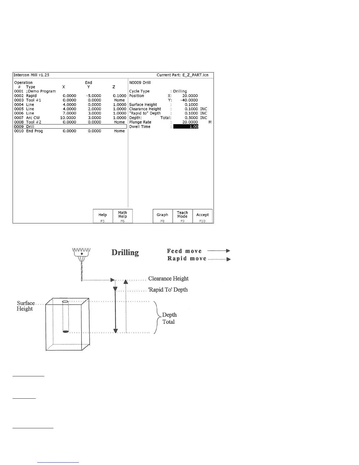
The numbers in the fields on the screen correspond to the following example, shown here graphically:
Where:
Cycle Type: Selects one of three drilling operations: Drilling, Chip Breaking, or Deep Hole drilling. Press F3 -
Toggle or SPACE to toggle between the three choices.
Position: Specifies the X and Y coordinates where the drilling will take place. If either the X or Y coordinate is an
incremental value, you will have the option to drill multiple holes in a linear pattern (See Canned Cycle Introduction
#2).
Surface Height: Absolute Z-axis position from where each incremental depth is measured.

Table of Contents

Related product manuals