EasyManua.ls Logo

Dieci APOLLO MINI AGRI - Page 243

Dieci APOLLO MINI AGRI
313 pages
Print Icon
To Next Page IconTo Next Page
To Next Page IconTo Next Page
To Previous Page IconTo Previous Page
To Previous Page IconTo Previous Page
Loading...
Dieci Wiring diagram | 20
AXH1230‐UK ﴾ENG﴿ ‐ Apollo KM 243 / 313
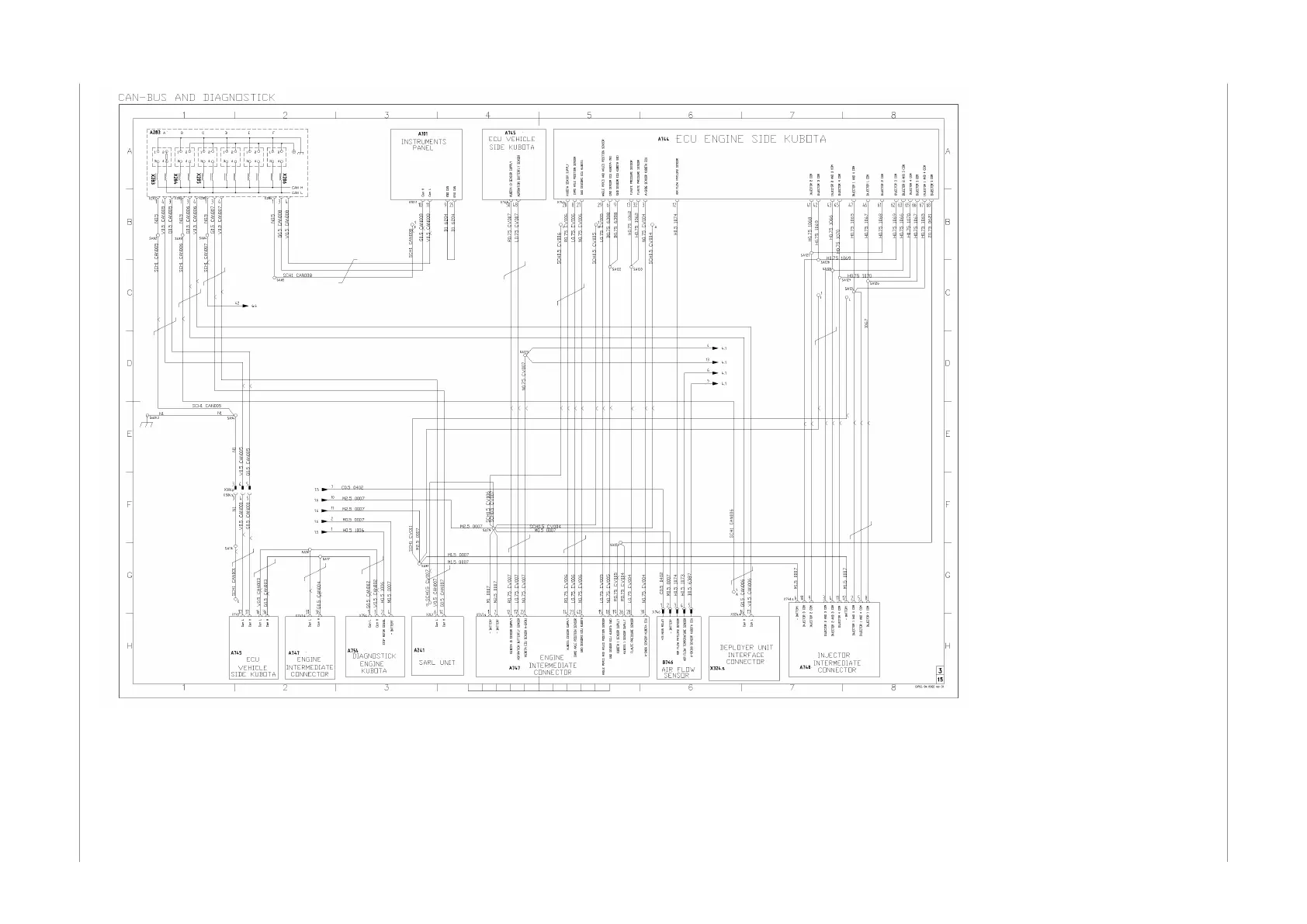
Illustration10: WiringdiagramAPOLLOKE20150914_Page_03

Table of Contents

Related product manuals