EasyManua.ls Logo

Edwards GXS - Physical Data

Edwards GXS
132 pages
Print Icon
To Next Page IconTo Next Page
To Next Page IconTo Next Page
To Previous Page IconTo Previous Page
To Previous Page IconTo Previous Page
Loading...
M588-08-880 Issue D
Page 92 © Edwards Limited 2017. All rights reserved.
Edwards and the Edwards logo are trademarks of Edwards Limited.
Check valve assy
7.2 Physical data
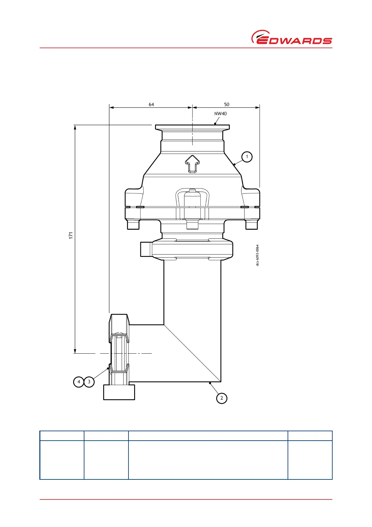
Figure 67 - M58808012 NW40 check valve assembly for 100 ctr horizontal silencer
Table 59 - M58808012 NW40 check valve assembly for 100 ctr horizontal silencer
Item Qty Description Check
1 1 iXH exhaust check valve NW40
2 1 Exhaust large elbow - 100 ctr
3 2 NW40 trapped O-ring - Viton 9830 / PTFE
4 2 NW32/40 clamping ring

Table of Contents

Related product manuals