EasyManua.ls Logo

Edwards GXS - Physical Data; M58808004 Inlet Isolation Valve ANSI 4 Inch EPDM

Edwards GXS
132 pages
Print Icon
To Next Page IconTo Next Page
To Next Page IconTo Next Page
To Previous Page IconTo Previous Page
To Previous Page IconTo Previous Page
Loading...
M588-08-880 Issue D
Page 32 © Edwards Limited 2017. All rights reserved.
Edwards and the Edwards logo are trademarks of Edwards Limited.
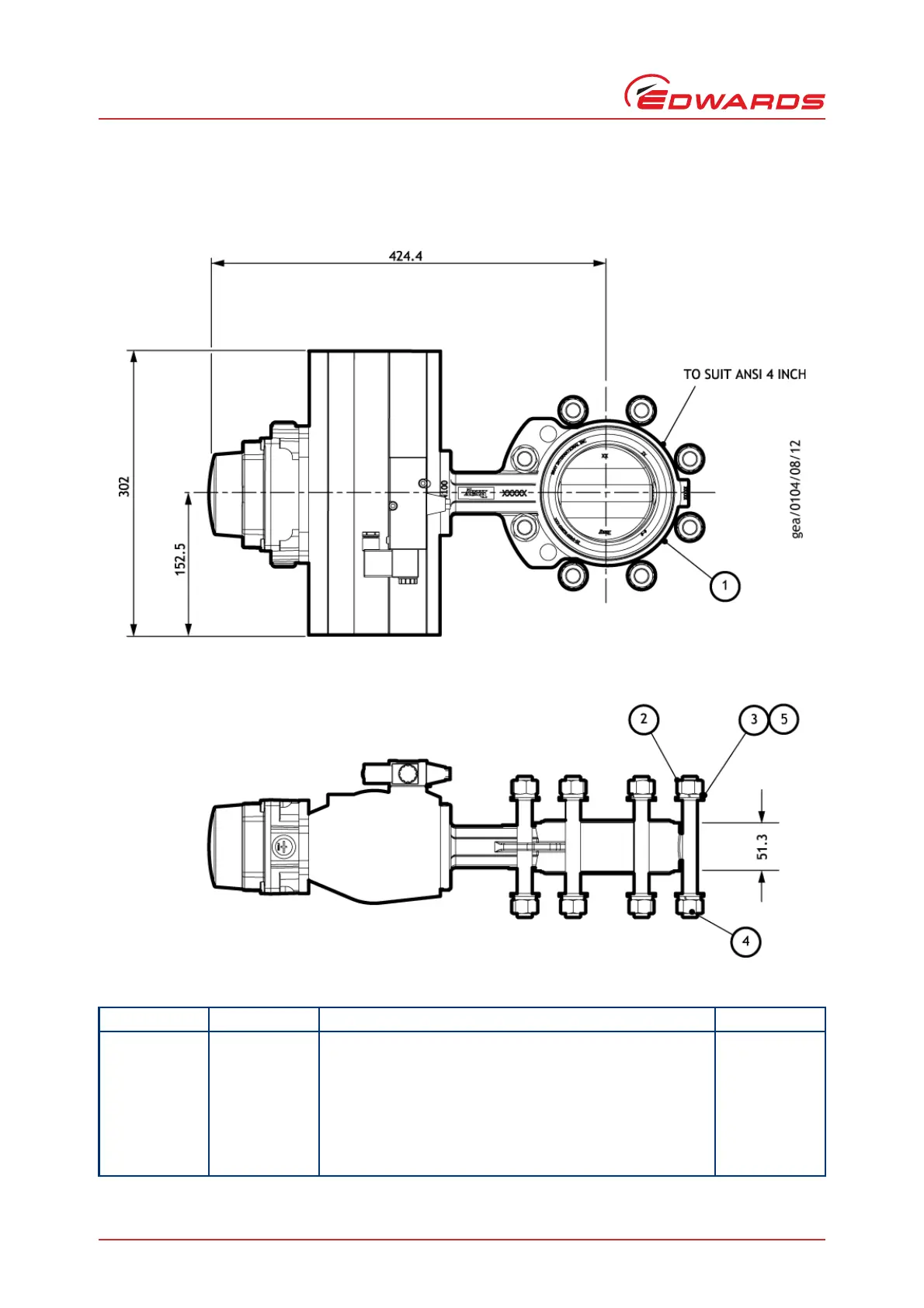
Inlet valve
3.2 Physical data
Figure 25 - M58808004 inlet isolation valve ANSI 4 inch EPDM
Table 25 - M58808004 inlet isolation valve ANSI 4 inch EPDM check list
Item Qty Description Check
1 1 DN100 Bray inlet valve
2 16 M16 full nut - stainless steel
3 16 M16 washer normal - stainless steel
4 8 Studding M16 x 150 mm - stainless steel
5 16 M16 washer single coil - stainless steel
- 1 Loom - Inlet isolation valve (not shown)

Table of Contents

Related product manuals