EasyManua.ls Logo

Edwards GXS - M59808134 Stainless Steel Inlet Spool ISO100 - ANSI 4 Inch

Edwards GXS
132 pages
Print Icon
To Next Page IconTo Next Page
To Next Page IconTo Next Page
To Previous Page IconTo Previous Page
To Previous Page IconTo Previous Page
Loading...
© Edwards Limited 2017. All rights reserved. Page 15
Edwards and the Edwards logo are trademarks of Edwards Limited.
Inlet spool
M588-08-880 Issue D
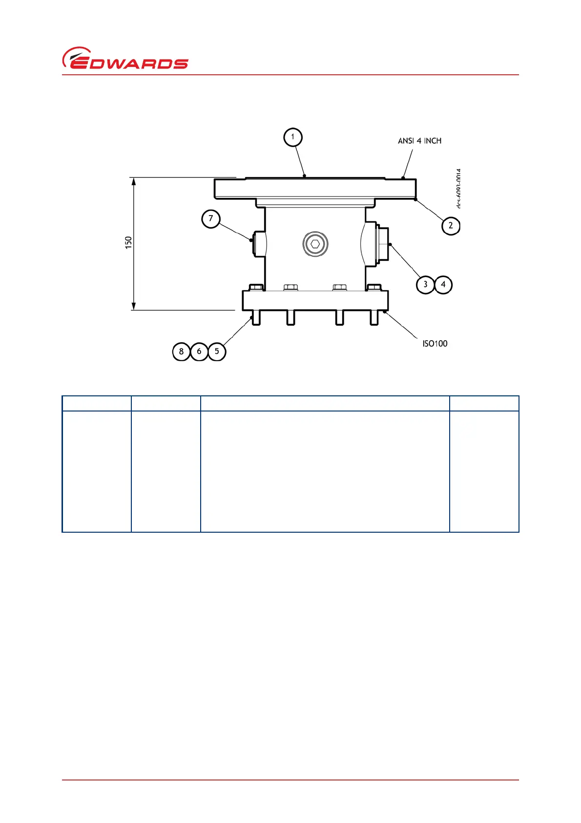
Figure 13 - M59808134 stainless steel inlet spool ISO100 - ANSI 4 inch
Table 12 - M59808134 stainless steel inlet spool ISO100 - ANSI 4 inch check list
Item Qty Description Check
1 1 Gasket 4 inch ANSI x 2.5 thick
2 1 ISO100 - ANSI 4 inch inlet spool - stainless steel
3 1 1 inch BSP blanking plug
4 1 O-ring 35.15 I/D x 3.0
5 8 M8 x 40 hex head screw - stainless steel
6 8 M8 washer normal - stainless steel
73½ inch BSP taper plug
8 8 M8 washer single coil spring - stainless steel

Table of Contents

Related product manuals