EasyManua.ls Logo

Edwards GXS - Inlet Spool Physical Data

Edwards GXS
132 pages
Print Icon
To Next Page IconTo Next Page
To Next Page IconTo Next Page
To Previous Page IconTo Previous Page
To Previous Page IconTo Previous Page
Loading...
M588-08-880 Issue D
Page 4 © Edwards Limited 2017. All rights reserved.
Edwards and the Edwards logo are trademarks of Edwards Limited.
Inlet spool
2.2 Physical data
2.2.1 Carbon steel ISO - ANSI inlet spools
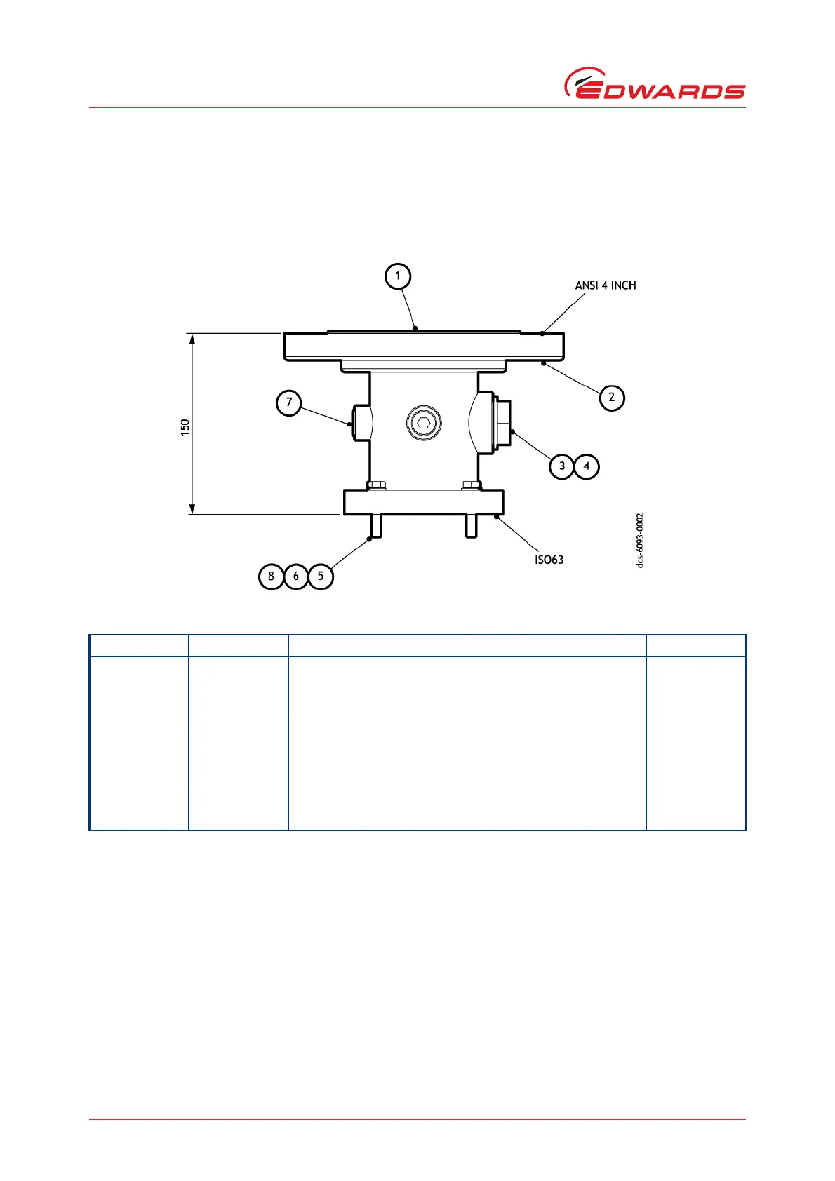
Figure 2 - M58808002 carbon steel inlet spool ISO63 - ANSI 4 inch
Table 1 - M58808002 carbon steel inlet spool ISO63 - ANSI 4 inch check list
Item Qty Description Check
1 1 Gasket 4 inch ANSI x 2.5 thick
2 1 ISO63 - ANSI 4 inch inlet spool - carbon steel
3 1 1 inch BSP blanking plug
4 1 O-ring 35.15 I/D x 3.0
5 4 M8 x 40 hex head screw - stainless steel
6 4 M8 washer normal - stainless steel
73½ inch BSP taper plug
8 4 M8 washer single coil spring - stainless steel

Table of Contents

Related product manuals