EasyManua.ls Logo

Edwards GXS - M59848004 Inlet Isolation Valve ANSI 8 Inch EPDM

Edwards GXS
132 pages
To Next Page IconTo Next Page
To Next Page IconTo Next Page
To Previous Page IconTo Previous Page
To Previous Page IconTo Previous Page
Loading...
M588-08-880 Issue D
Page 34 © Edwards Limited 2017. All rights reserved.
Edwards and the Edwards logo are trademarks of Edwards Limited.
Inlet valve
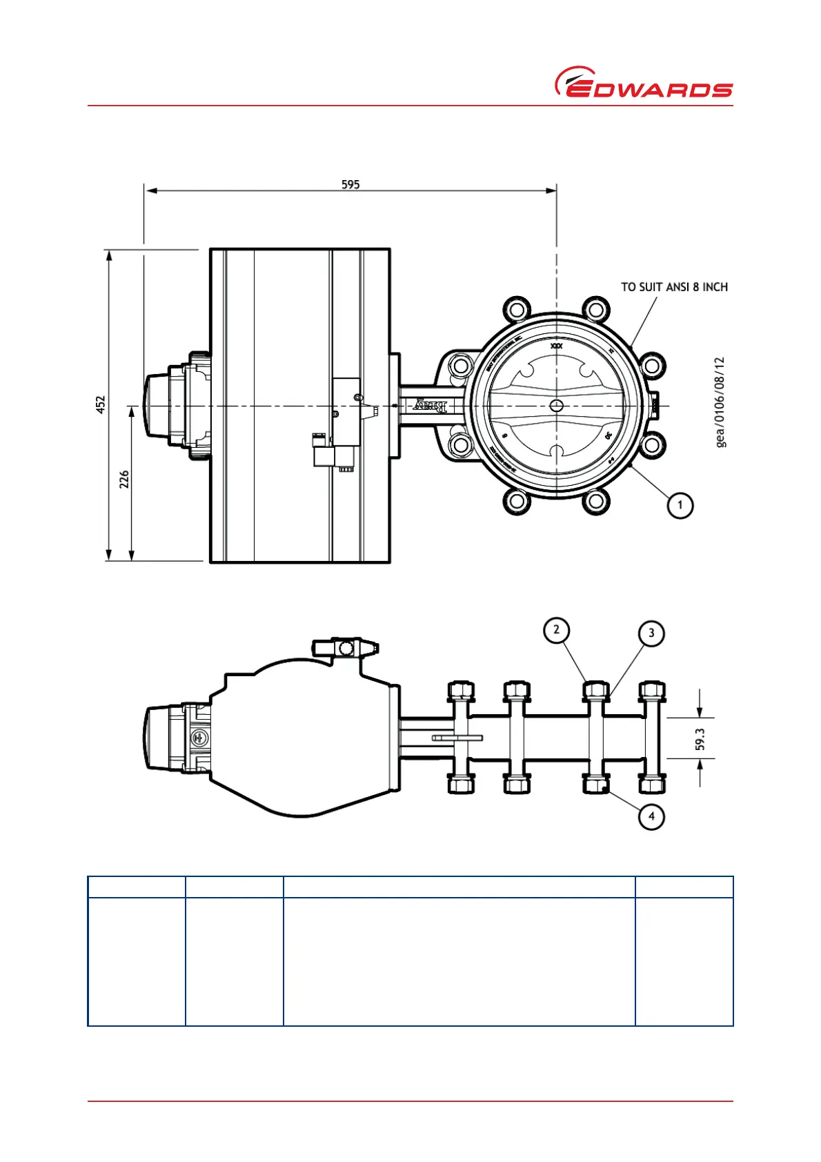
Figure 27 - M59848004 inlet isolation valve ANSI 8 inch EPDM
Table 27 - M59848004 inlet isolation valve ANSI 8 inch EPDM check list
Item Qty Description Check
1 1 DN200 Bray inlet valve
2 16 M20 full nut - stainless steel
3 16 M20 washer normal - stainless steel
4 8 Studding M20 x 160 mm - stainless steel
5 16 M20 washer single coil - stainless steel
- 1 Loom - inlet isolation valve (not shown)

Table of Contents

Related product manuals