EasyManua.ls Logo

Edwards GXS - M58828134 Stainless Steel Inlet Spool ISO100 - ANSI 6 Inch

Edwards GXS
132 pages
Print Icon
To Next Page IconTo Next Page
To Next Page IconTo Next Page
To Previous Page IconTo Previous Page
To Previous Page IconTo Previous Page
Loading...
M588-08-880 Issue D
Page 16 © Edwards Limited 2017. All rights reserved.
Edwards and the Edwards logo are trademarks of Edwards Limited.
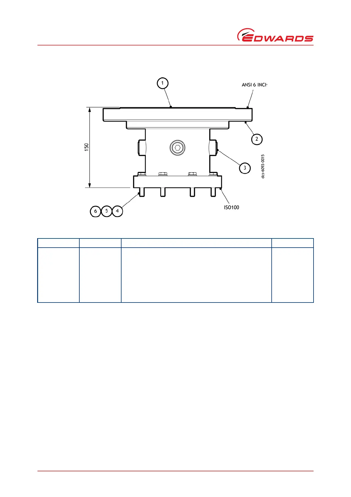
Inlet spool
Figure 14 - M58828134 stainless steel inlet spool ISO100 - ANSI 6 inch
Table 13 - M58828134 stainless steel inlet spool ISO100 - ANSI 6 inch check list
Item Qty Description Check
1 1 Gasket 6 inch ANSI x 2.5 thick
2 1 ISO100 - ANSI 6 inch inlet spool - stainless steel
34½ inch BSP taper plug
4 8 M8 x 40 hex head screw - stainless steel
5 8 M8 washer normal - stainless steel
6 8 M8 washer single coil spring - stainless steel

Table of Contents

Related product manuals