EasyManua.ls Logo

Edwards GXS - Inlet Spool Installation

Edwards GXS
132 pages
Print Icon
To Next Page IconTo Next Page
To Next Page IconTo Next Page
To Previous Page IconTo Previous Page
To Previous Page IconTo Previous Page
Loading...
© Edwards Limited 2017. All rights reserved. Page 19
Edwards and the Edwards logo are trademarks of Edwards Limited.
Inlet spool
M588-08-880 Issue D
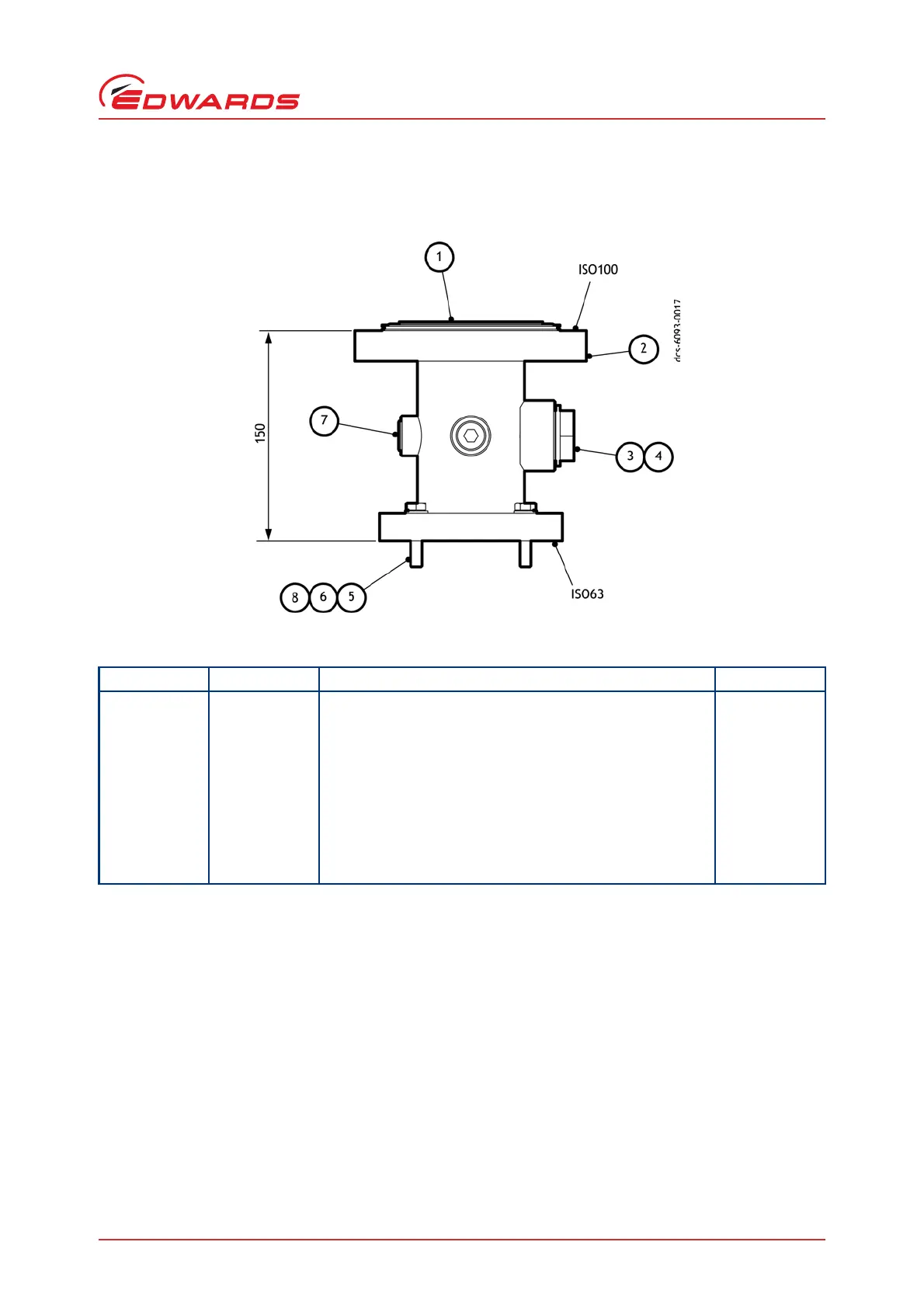
2.2.4 Stainless steel ISO - ISO inlet spools
Figure 17 - M58808135 stainless steel inlet spool ISO63 - ISO100
Table 16 - M58808135 stainless steel inlet spool ISO63 - ISO100 check list
Item Qty Description Check
1 1 ISO100 trapped O-ring seal (Viton)
2 1 ISO63 - ISO100 inlet spool - stainless steel
3 1 1 inch BSP blanking plug
4 1 O-ring 35.15 I/D x 3.0
5 4 M8 x 40 hex head screw - stainless steel
6 4 M8 washer normal - stainless steel
7 3 ½ inch BSPT hollow taper plug
8 4 M8 washer single coil spring - stainless steel

Table of Contents

Related product manuals