EasyManua.ls Logo

Edwards GXS - Inlet Valve; Inlet Valve Description

Edwards GXS
132 pages
Print Icon
To Next Page IconTo Next Page
To Next Page IconTo Next Page
To Previous Page IconTo Previous Page
To Previous Page IconTo Previous Page
Loading...
© Edwards Limited 2017. All rights reserved. Page 23
Edwards and the Edwards logo are trademarks of Edwards Limited.
Inlet spool
M588-08-880 Issue D
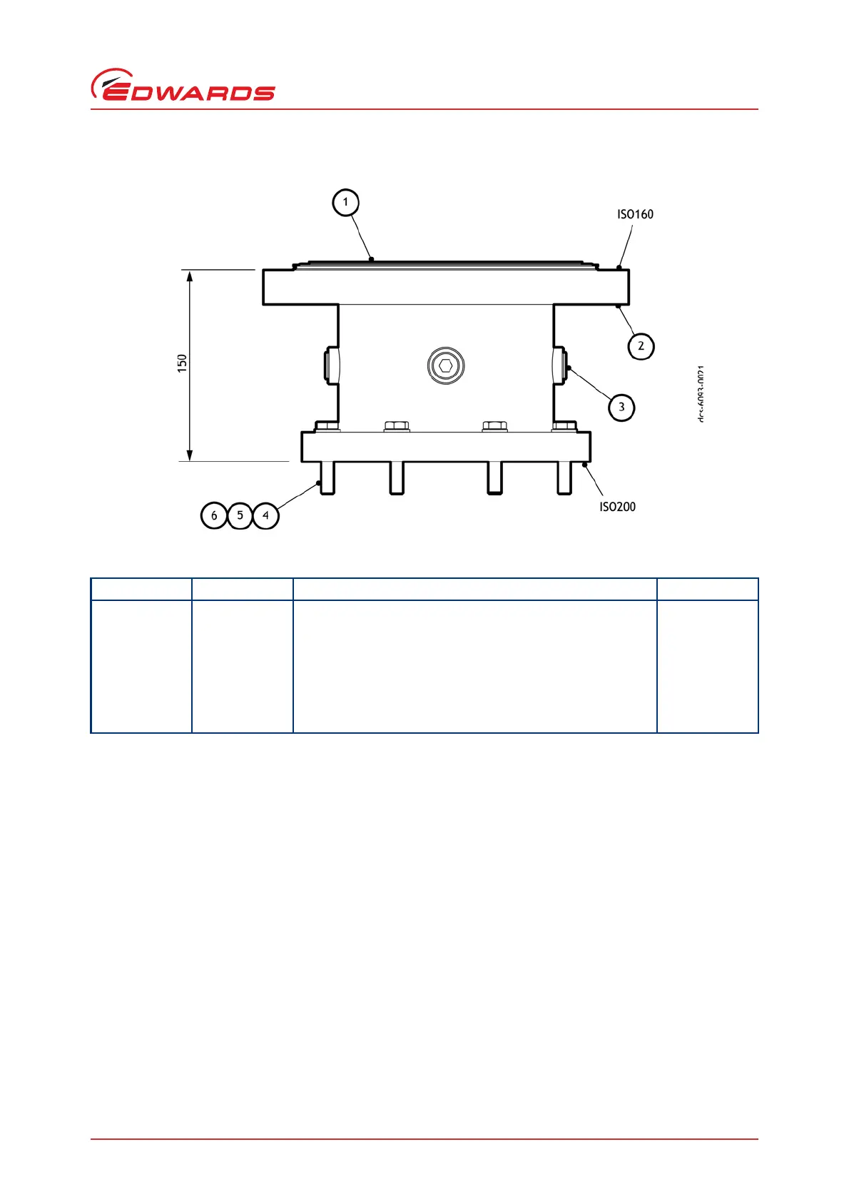
Figure 21 - Stainless steel inlet spool ISO160 - ISO200
Table 20 - Stainless steel inlet spool ISO160 - ISO200 check list
Item Qty Description Check
1 1 ISO200 trapped O-ring (Fluoroelastomer)
2 1 ISO160 - ISO200 inlet spool - stainless steel
34½ inch BSP taper plug
4 8 M10 x 45 hex head screw - stainless steel
5 8 M10 washer normal - stainless steel
6 8 M10 washer single coil spring - stainless steel

Table of Contents

Related product manuals