EasyManua.ls Logo

Edwards GXS - M59808003 Carbon Steel Inlet Spool ISO100 - ISO100

Edwards GXS
132 pages
Print Icon
To Next Page IconTo Next Page
To Next Page IconTo Next Page
To Previous Page IconTo Previous Page
To Previous Page IconTo Previous Page
Loading...
M588-08-880 Issue D
Page 10 © Edwards Limited 2017. All rights reserved.
Edwards and the Edwards logo are trademarks of Edwards Limited.
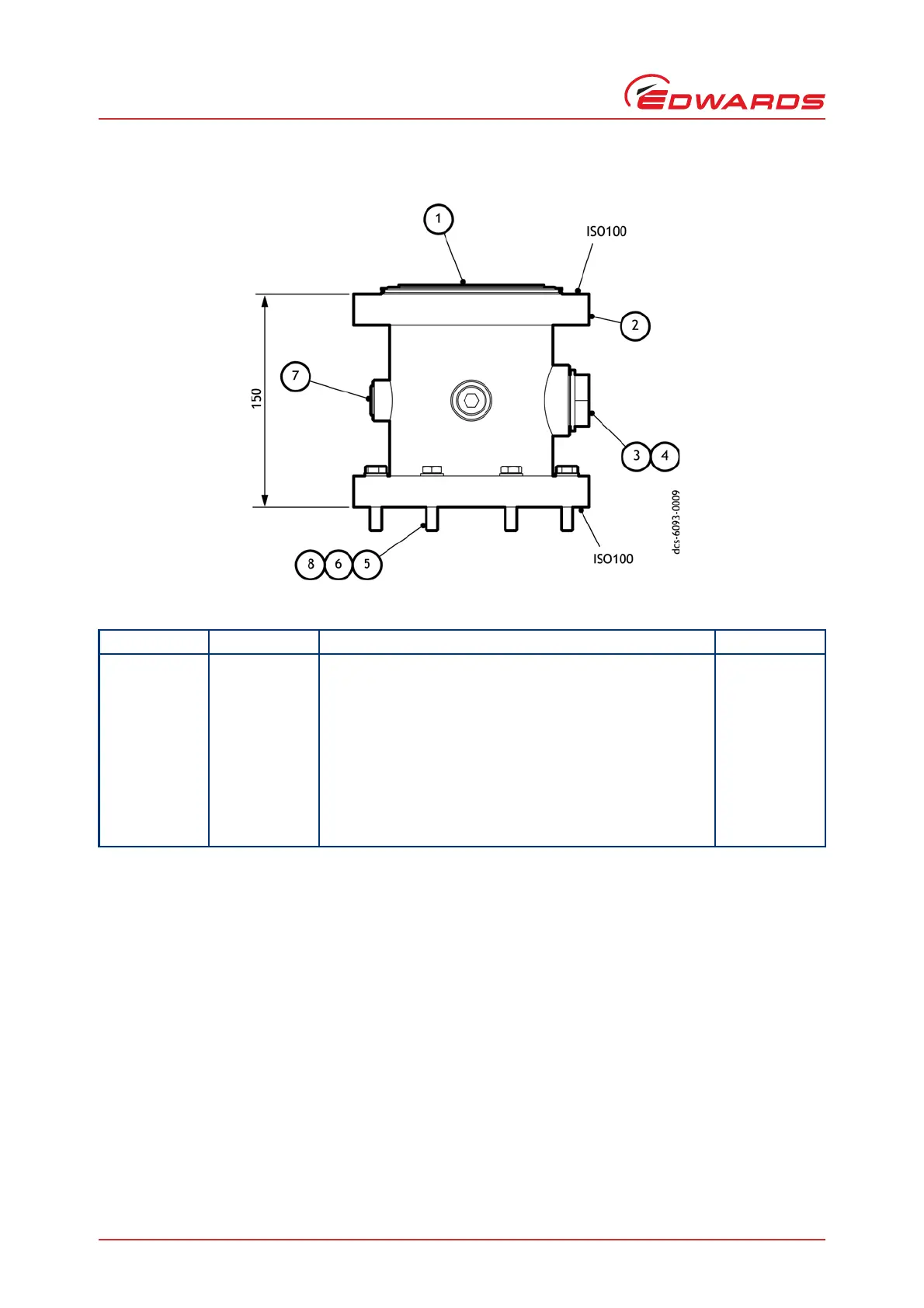
Inlet spool
Figure 8 - M59808003 carbon steel inlet spool ISO100 - ISO100
Table 7 - M59808138 carbon steel inlet spool ISO100 - ISO100 check list
Item Qty Description Check
1 1 ISO100 trapped O-ring seal (Viton)
2 1 ISO100 - ISO100 inlet spool - carbon steel
3 1 1 inch BSP blanking plug
4 1 O-ring 35.15 I/D x 3.0
5 4 M8 x 40 hex head screw - stainless steel
6 4 M8 washer normal - stainless steel
7 3 ½ inch BSPT hollow taper plug
8 8 M8 washer single coil spring - stainless steel

Table of Contents

Related product manuals