EasyManua.ls Logo

Edwards GXS - Inlet Filter Maintenance; Inlet Filter Storage and Disposal

Edwards GXS
132 pages
Print Icon
To Next Page IconTo Next Page
To Next Page IconTo Next Page
To Previous Page IconTo Previous Page
To Previous Page IconTo Previous Page
Loading...
© Edwards Limited 2017. All rights reserved. Page 49
Edwards and the Edwards logo are trademarks of Edwards Limited.
Inlet filters
M588-08-880 Issue D
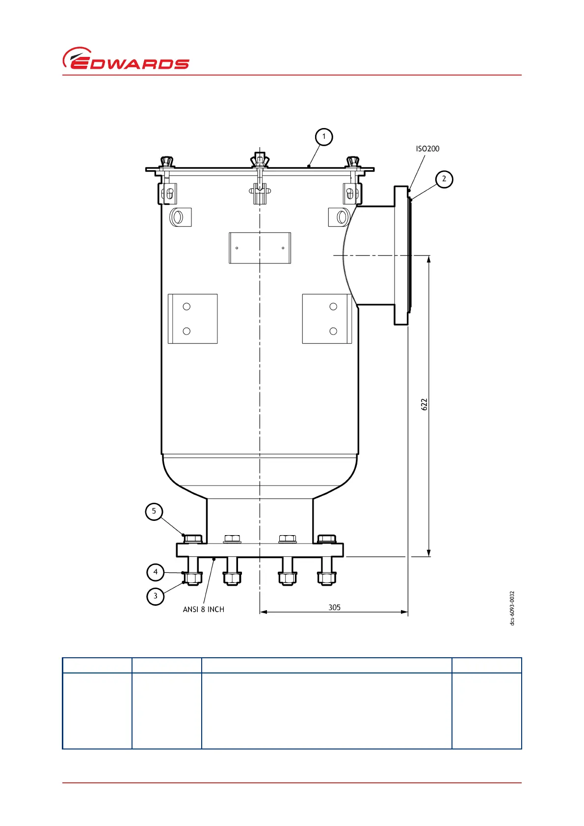
Figure 36 - M59848005 carbon steel inlet filter ANSI 8 inch - ISO200
Table 45 - M59848005 carbon steel inlet filter ANSI 8 inch - ISO200 check list
Item Qty Description Check
1 1 ANSI 8 inch - ISO200 Inlet filter - carbon steel
2 1 ISO200 trapped O-ring (Fluoroelastomer)
3 12 M10 full nut - stainless steel
4 24 M10 washer normal - stainless steel
5 12 M10 x 80 hex head screw - stainless steel

Table of Contents

Related product manuals