EasyManua.ls Logo

Emerson Fisher FLOBOSS 407 - C.8 Switch to Pulse Inputs

Emerson Fisher FLOBOSS 407
200 pages
Print Icon
To Next Page IconTo Next Page
To Next Page IconTo Next Page
To Previous Page IconTo Previous Page
To Previous Page IconTo Previous Page
Loading...
FloBoss 407 Instruction Manual
Rev 5/00 C-7
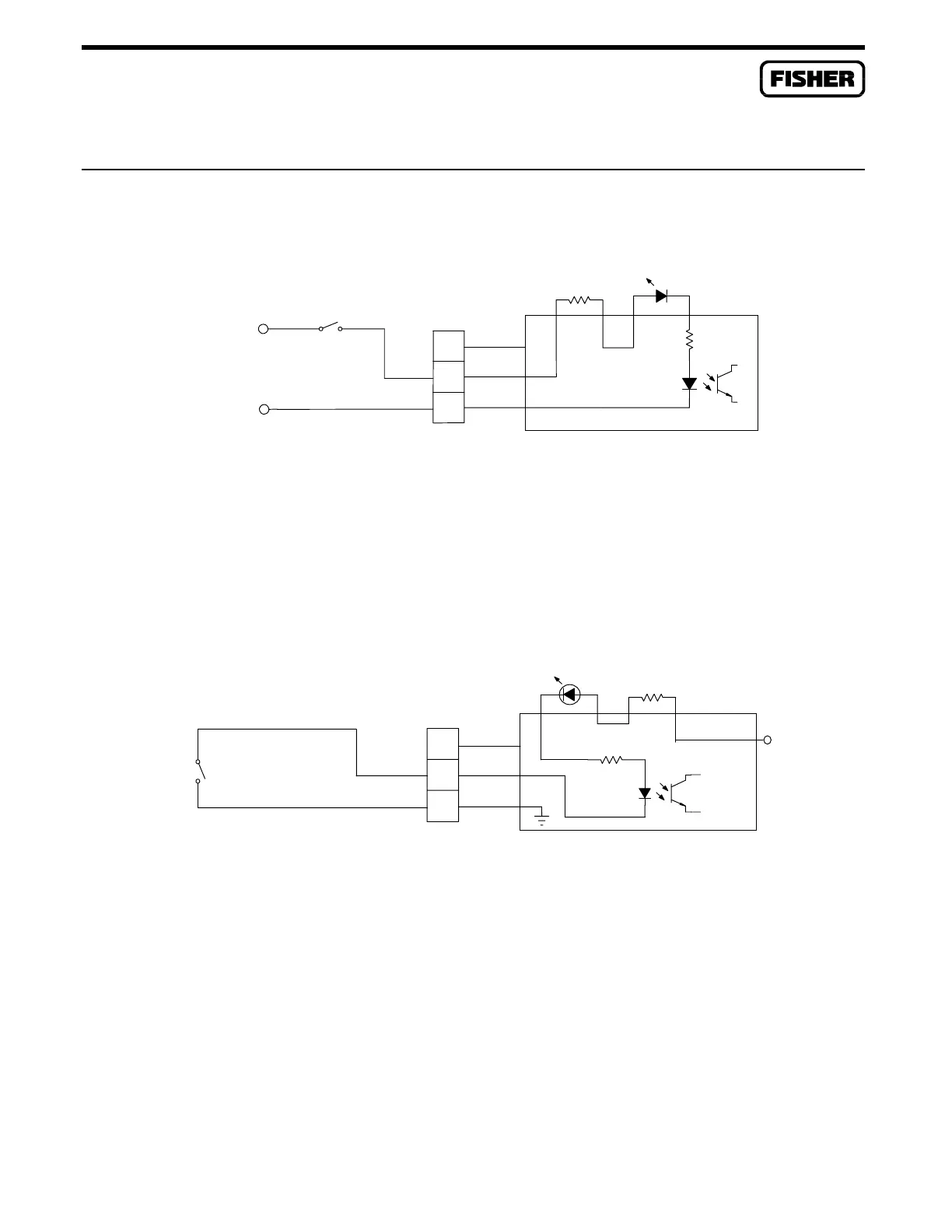
C.8 SWITCH TO PULSE INPUTS
Figure C-14 shows how to use a switch to simulate relay contacts to a pulse input source module.
AUX PWR OUT 1
-
SWITCH
+
C
B
-
+
A
N/C
R1=10
DOC0190A
PI ISO
2.2K
Figure C-14. Switch to PI Source Module
Figure C-15 shows how to use a switch and power supply to simulate a device transmitting discrete
pulses (turbine meter) to a pulse input isolated module.
SWITCH
R1=10
C
B
-
+
A
N/C
2.2K
DOC0189A
PI SRC
Vs
Figure C-15. Switch to PI Isolated Module

Table of Contents

Related product manuals