EasyManua.ls Logo

EST EST3X - Page 115

EST EST3X
298 pages
Print Icon
To Next Page IconTo Next Page
To Next Page IconTo Next Page
To Previous Page IconTo Previous Page
To Previous Page IconTo Previous Page
Loading...
Chapter 5: Installation
EST3X Technical Reference Manual 105
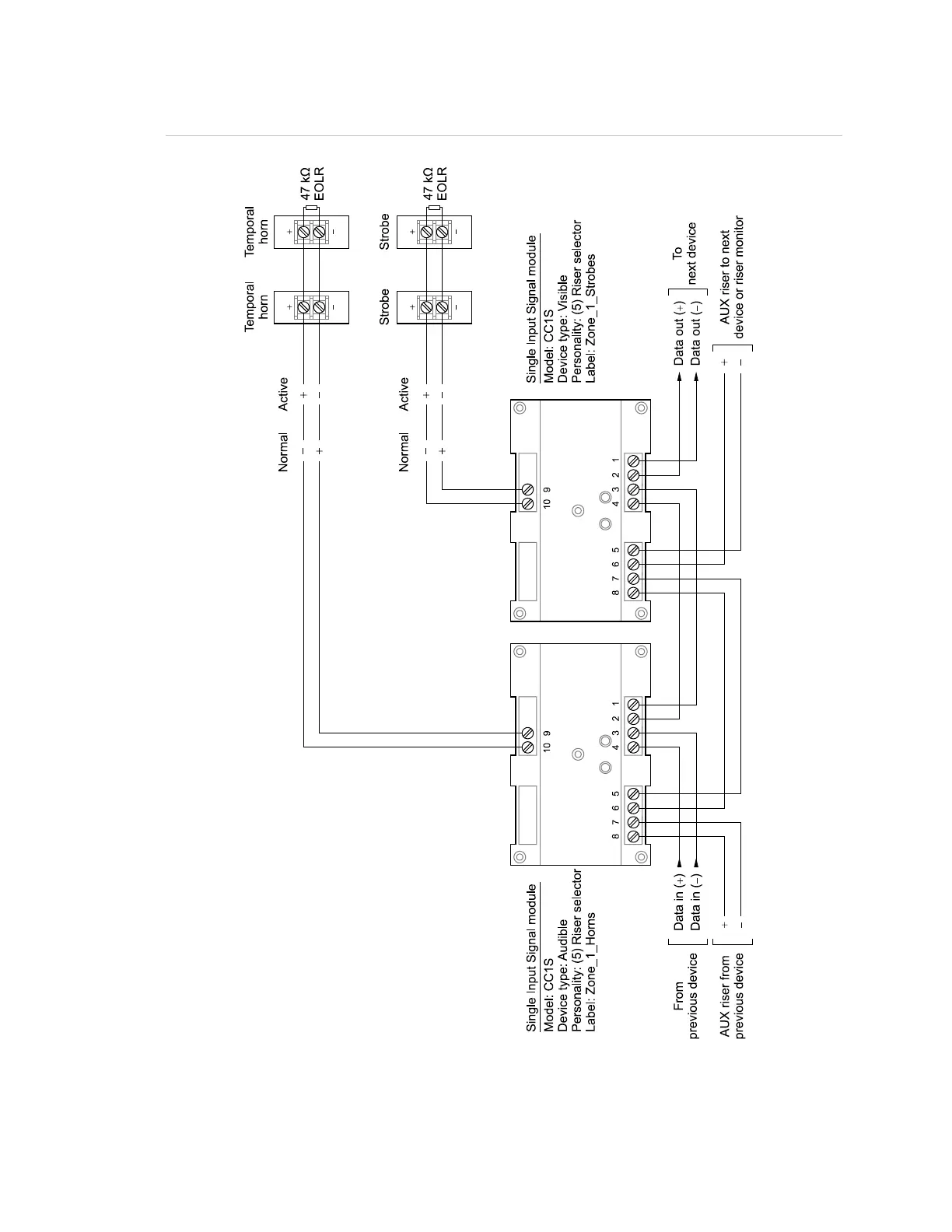
Figure 22: Typical SIGA-CC1S NAC wiring

Table of Contents

Other manuals for EST EST3X

Related product manuals