EasyManua.ls Logo

Galvanic Applied Sciences ProTech903W - Page 165

Galvanic Applied Sciences ProTech903W
176 pages
Print Icon
To Next Page IconTo Next Page
To Next Page IconTo Next Page
To Previous Page IconTo Previous Page
To Previous Page IconTo Previous Page
Loading...
Revision 1 165 9/10/2019
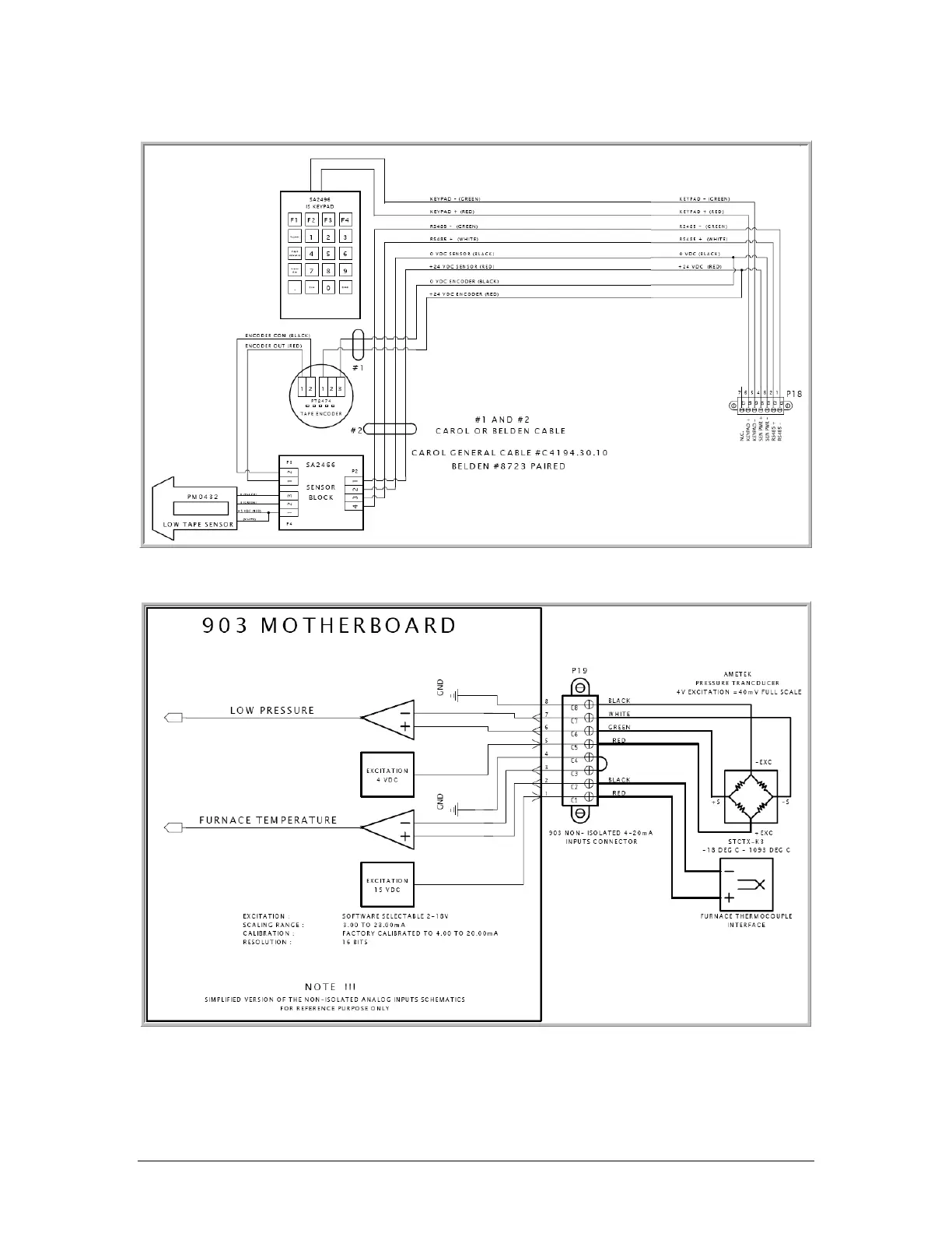
Figure 10-15: Sensor Block, Keypad, Encoder and Low Tape Sensor Div.2 Wiring Diagram
Figure 10-16: Non-Isolated 4 - 20 mA Inputs

Table of Contents

Related product manuals