EasyManua.ls Logo

Garmin G3X - Page 201

Garmin G3X
1011 pages
Print Icon
To Next Page IconTo Next Page
To Next Page IconTo Next Page
To Previous Page IconTo Previous Page
To Previous Page IconTo Previous Page
Loading...
190-01115-01 G3X™/G3X Touch™ Avionics Installation Manual
Rev. AV Page 16-41
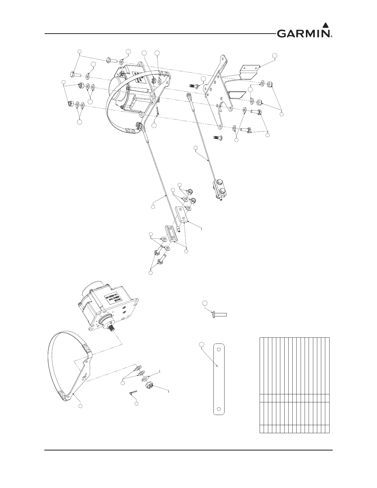
Figure 16-15.1 GSA 28 RV-10 Yaw Mounting Kit 011-02952-16 (page 1 of 3)
ITEM GARMIN P/N QTY DESCRIPTION
1 231-00037-04 1 COTTER PIN, MS24665-208
2 212-00043-31 2 WASHER, AN960-516L
3 115-01854-11 1 GSA28 ATTACHMENT, RV-10 YAW
4 211-00090-06 4 BOLT, AN3-6A
5 212-00043-10 10 WASHER (THIN), AN960-10L
6 117-00164-02 4 BRIDLE CABLE CLAMP
7 233-20027-00 2 BRIDLE CABLE, RV-10 YAW
8 210-00117-03 8 LOCK NUT, AN365-1032A
9 211-00090-01 4 BOLT, AN3-5A
10 212-00035-10 10 WASHER, AN960-10
11 115-01854-10 1 MOUNTING BRACKET, RV-10 YAW
12 211-00306-09 2 BOLT, CLEVIS, AN23-9
13 231-00037-05 2 COTTER PIN, MS24665-132
14 210-00134-03 2 CASTLE NUT, MS17826-3
15 115-01854-12 1 SPACER, RV-10 YAW BRACKET
16 211-A0010-46 4 SCREW, MS51957-46
SEE SHEET 2
16
10
7
8
4
5
7
6
5
5
9
SEE NOTE 6
SEE SHEET 2
12
10
10
14
13
8
10
10
9
10
8
11
SEE NOTE 5
SEE SHEET 2
15
SCALE 1:1
SEE NOTE 2
GPN: 212-00018-08
SEE NOTE 2
5/16 SPLIT LOCK WASHER
132 COTTER PIN (ITEM 13). FORK END OF BRIDLE CABLE (ITEM 7) MUST BE FREE TO ROTATE RELATIVE TO ITEM 3.
SMALL RADIUS OF BRIDLE CABLE CLAMPS (ITEM 6) SHOULD MATE WITH BRIDLE CABLES (ITEM 7). LARGERADIUS OF BRIDLE 6.
CABLE CLAMPS MATE WITH YAW CONTROL CABLES. SEE SHEET 3 FOR DETAILS.
2
AN310-5 CASTLE NUT
GPN: 210-00050-01
1
NOTES:
GSA28 IS PROVIDED WITH STANDARD CRANK ARM. FOR THE RV-10 YAW INSTALLATION, THIS PART MUST BE REMOVED AND 1.
REPLACED WITH ITEM 3.
CASTLE NUT AND 5/16 LOCK WASHER ARE NOT INCLUDED IN SERVO MOUNTING KIT. THESE PARTS ARE INCLUDED WITH 2.
GSA28 AND MUST BE RE-USED.
TO INSTALL ITEM 3: REMOVE COTTER PIN, CASTLE NUT, 5/16 LOCK WASHER, AN960-516L WASHER, AND STANDARD CRANK 3.
ARM. INSTALL ITEM 3 SUCH THAT HOLE AND SLOT MATE WITH ALIGNMENT PINS ON GSA28 OUTPUT HUB. INSTALL TWO AN960-
516L WASHERS, LOCK WASHER, AND CASTLE NUT. TIGHTEN CASTLE NUT UNTIL LOCK WASHER IS FULLY COMPRESSED, BUT DO
NOT TIGHTEN TO MORE THAN 20 IN-LBS. THEN LOOSEN UNTIL ADJACENT CASTELLATION LINES UP WITH HOLE IN OUTPUT SHAFT.
INSTALL NEW COTTER PIN (SUPPLIED IN MOUNTING KIT).
NOTE DELETED.4.
TIGHTEN MS17826-3 NUT (ITEM 14) UNTIL CASTELLATION LINES UP WITH HOLE IN CLEVIS BOLT (ITEM 12) AND INSTALL MS24665-5.
3

Table of Contents

Other manuals for Garmin G3X

Related product manuals