EasyManua.ls Logo

Hill-Rom Affinity P3700E - Grounding Locations (Sheet 1 of 2)

Hill-Rom Affinity P3700E
202 pages
Print Icon
To Next Page IconTo Next Page
To Next Page IconTo Next Page
To Previous Page IconTo Previous Page
To Previous Page IconTo Previous Page
Loading...
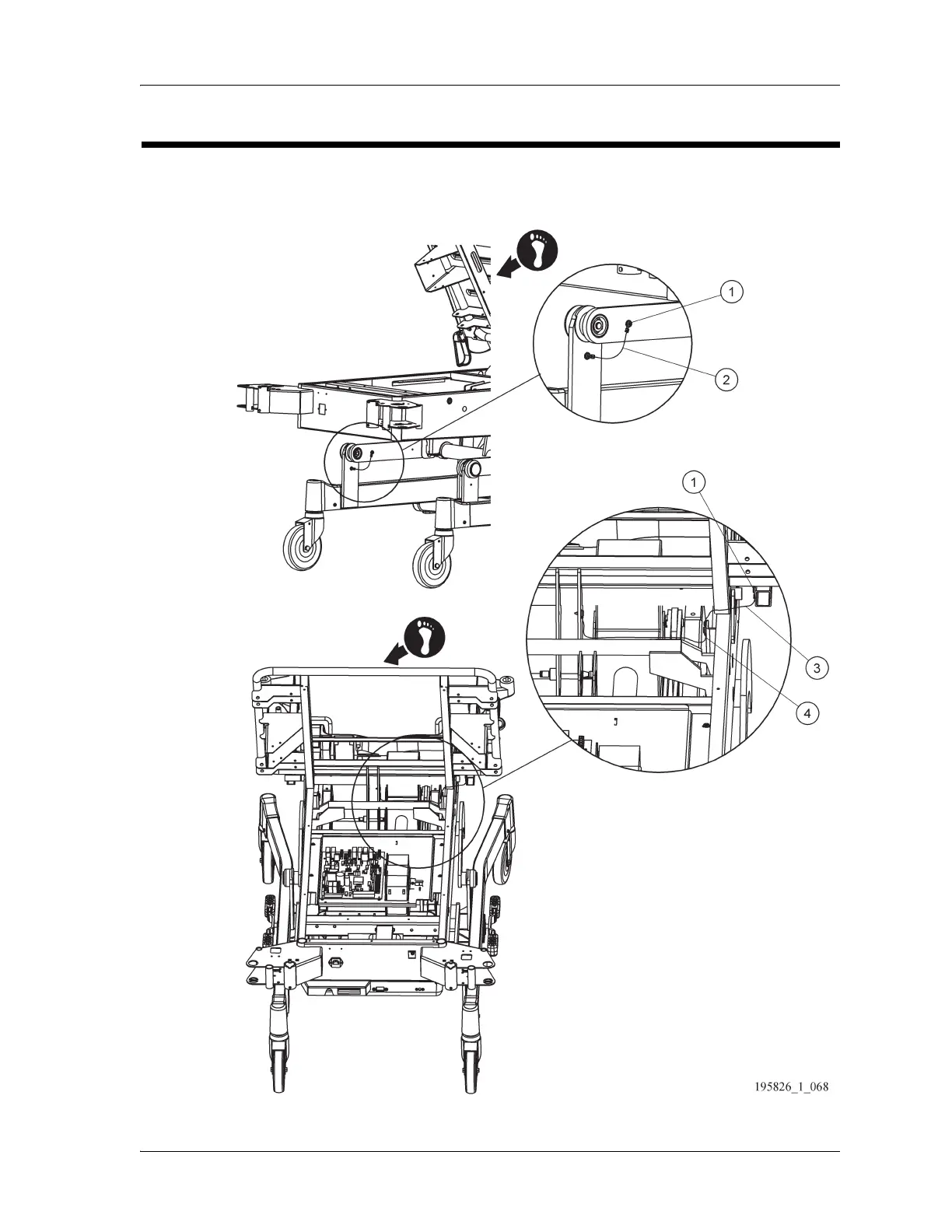
Grounding locations (Sheet 1 of 2)
Chapter 5: Parts List
5 - 50 Affinity® Four Birthing Bed Service Manual (195826 REV 2)
GROUNDING LOCATIONS (SHEET 1 OF 2)
Figure 5-19. Grounding Locations (Sheet 1of 2)

Table of Contents

Related product manuals