EasyManua.ls Logo

Hill-Rom Affinity P3700E - Electronics and Grounding Location Details

Hill-Rom Affinity P3700E
202 pages
Print Icon
To Next Page IconTo Next Page
To Next Page IconTo Next Page
To Previous Page IconTo Previous Page
To Previous Page IconTo Previous Page
Loading...
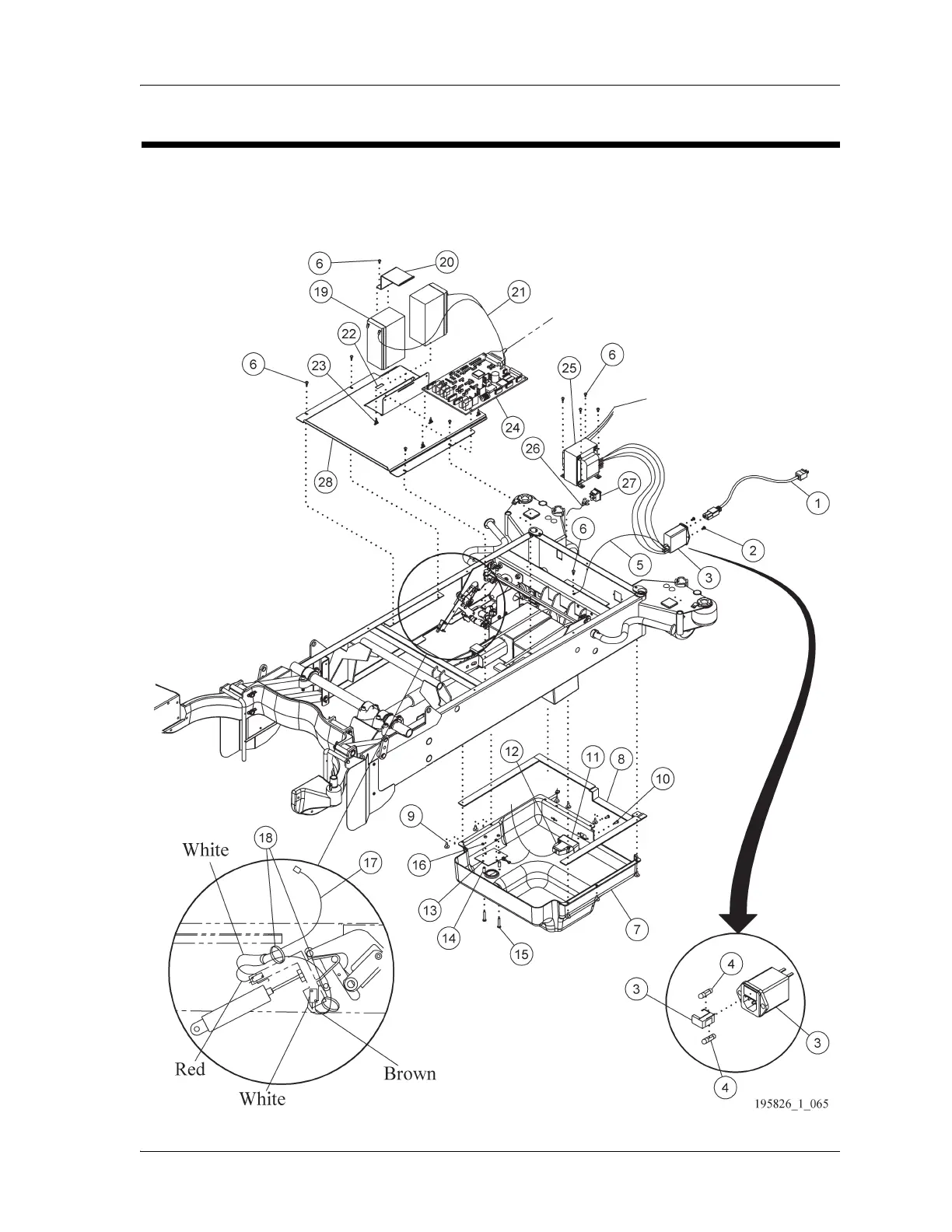
Electronics Module (Sheet 1 of 2)
Chapter 5: Parts List
5 - 44 Affinity® Four Birthing Bed Service Manual (195826 REV 2)
ELECTRONICS MODULE (SHEET 1 OF 2)
Figure 5-17. Electronics Module (Sheet 1 of 2)

Table of Contents

Related product manuals