EasyManua.ls Logo

Hill-Rom Affinity P3700E - Cable Routing and Label Identification

Hill-Rom Affinity P3700E
202 pages
Print Icon
To Next Page IconTo Next Page
To Next Page IconTo Next Page
To Previous Page IconTo Previous Page
To Previous Page IconTo Previous Page
Loading...
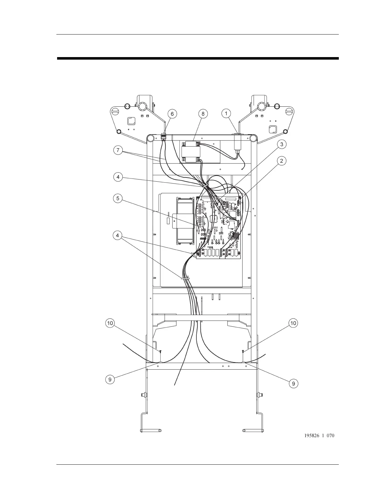
Electrical Cable Routing (Sheet 1 of 2)
Chapter 5: Parts List
5 - 54 Affinity® Four Birthing Bed Service Manual (195826 REV 2)
ELECTRICAL CABLE ROUTING (SHEET 1 OF 2)
Figure 5-21. Electrical Cable Routing (Sheet 1 of 2)

Table of Contents

Related product manuals