EasyManua.ls Logo

Hioki RM3545 - Page 177

Hioki RM3545
364 pages
Print Icon
To Next Page IconTo Next Page
To Next Page IconTo Next Page
To Previous Page IconTo Previous Page
To Previous Page IconTo Previous Page
Loading...
8.7 Example Connections and Settings
169
8
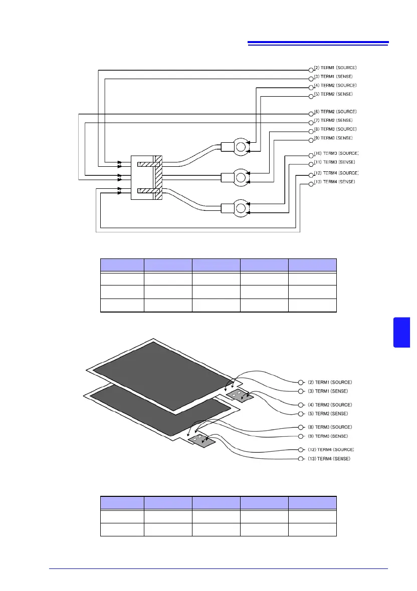
Example cable assembly (wire harness) settings
Example battery terminal weld settings
MUX settings
CH INST. UNIT TERM A TERM B
1 RM3545 UNIT1 1 2
2 RM3545 UNIT1 2 3
3 RM3545 UNIT1 3 4
MUX settings
CH INST. UNIT TERM A TERM B
1 RM3545 UNIT1 1 2
2 RM3545 UNIT1 3 4

Table of Contents

Other manuals for Hioki RM3545

Related product manuals