EasyManua.ls Logo

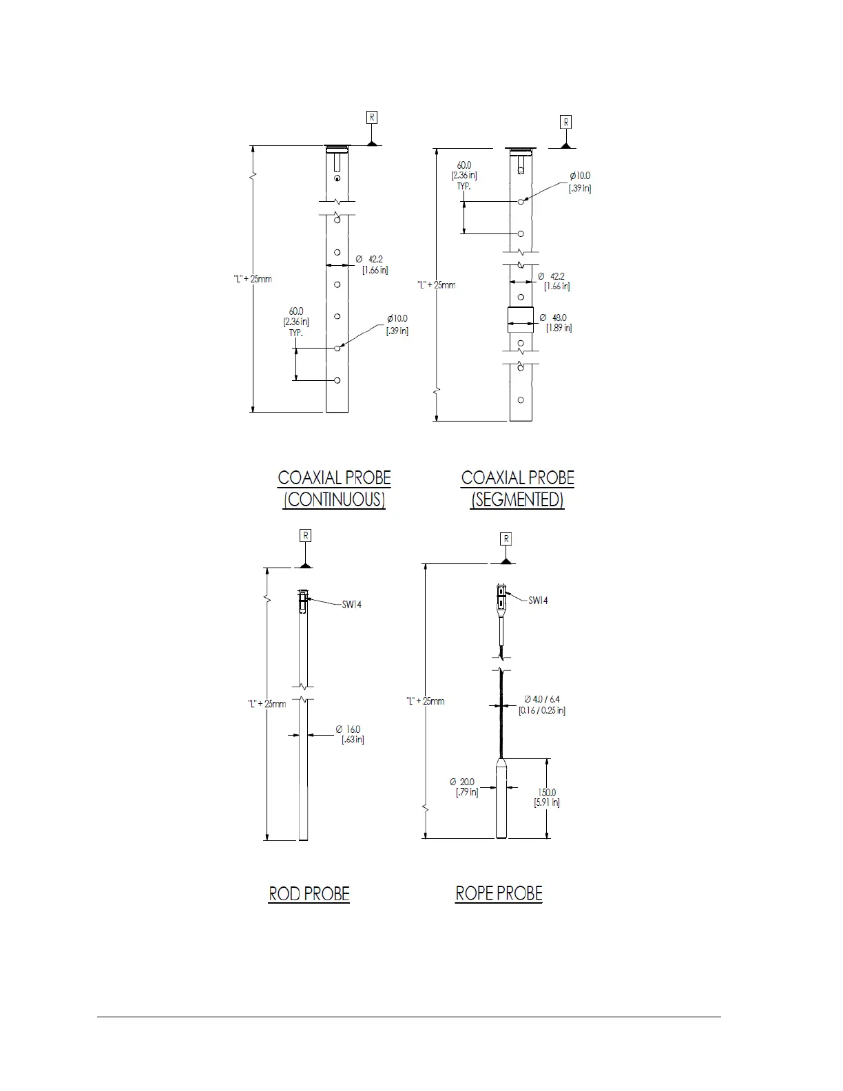
Honeywell SmartLine SLG 700 - Figure 3-3: SLG726 Threaded Process Connection Probe Dimensions; MM [In]

Honeywell SmartLine SLG 700
198 pages
Print Icon
To Next Page IconTo Next Page
To Next Page IconTo Next Page
To Previous Page IconTo Previous Page
To Previous Page IconTo Previous Page
Loading...
Page 42 SLG 700 SmartLine Level Transmitter User’s Manual Revision 8
Figure 3-3: SLG726 Threaded process connection probe dimensions; mm [in]

Table of Contents

Related product manuals