EasyManua.ls Logo

Honeywell UMC800 - Example 6 - Cascade Control of a Boiler Drum Level - 3 Element Feedwater Control

Honeywell UMC800
260 pages
To Next Page IconTo Next Page
To Next Page IconTo Next Page
To Previous Page IconTo Previous Page
To Previous Page IconTo Previous Page
Loading...
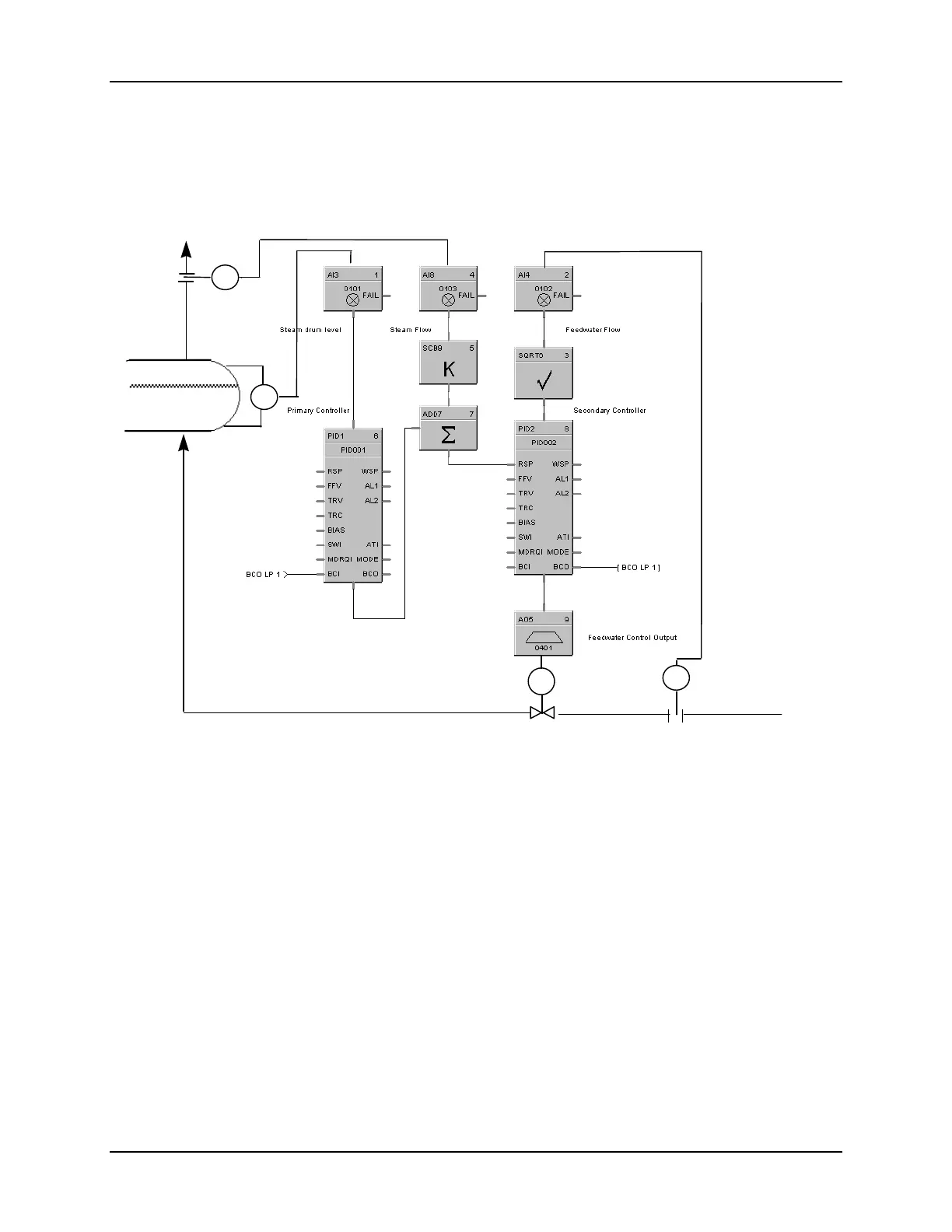
Function Blocks
Function Block Reference Guide 3/99158
2.50 PID Function Block,
continued
2.50.6 Example 6 -
Cascade Control of a Boiler Drum Level -
3 Element Feedwater Control
M
Feedwater Flow
FT 2
Steam
Note: All physical
connections are by
I/O cards
LT 2
LT 1
Steam Drum
Figure 2-52 Cascade Control of a Boiler Drum Level - 3 Element Feedwater Control

Table of Contents

Other manuals for Honeywell UMC800

Related product manuals