EasyManua.ls Logo

IEMCA Master 80 UP HyperFlexible - Page 21

IEMCA Master 80 UP HyperFlexible
190 pages
Print Icon
To Next Page IconTo Next Page
To Next Page IconTo Next Page
To Previous Page IconTo Previous Page
To Previous Page IconTo Previous Page
Loading...
2 - TECHNICAL INFORMATION Master 80 UP HyperFlexible
EN
2 - Pag. 5 / 5
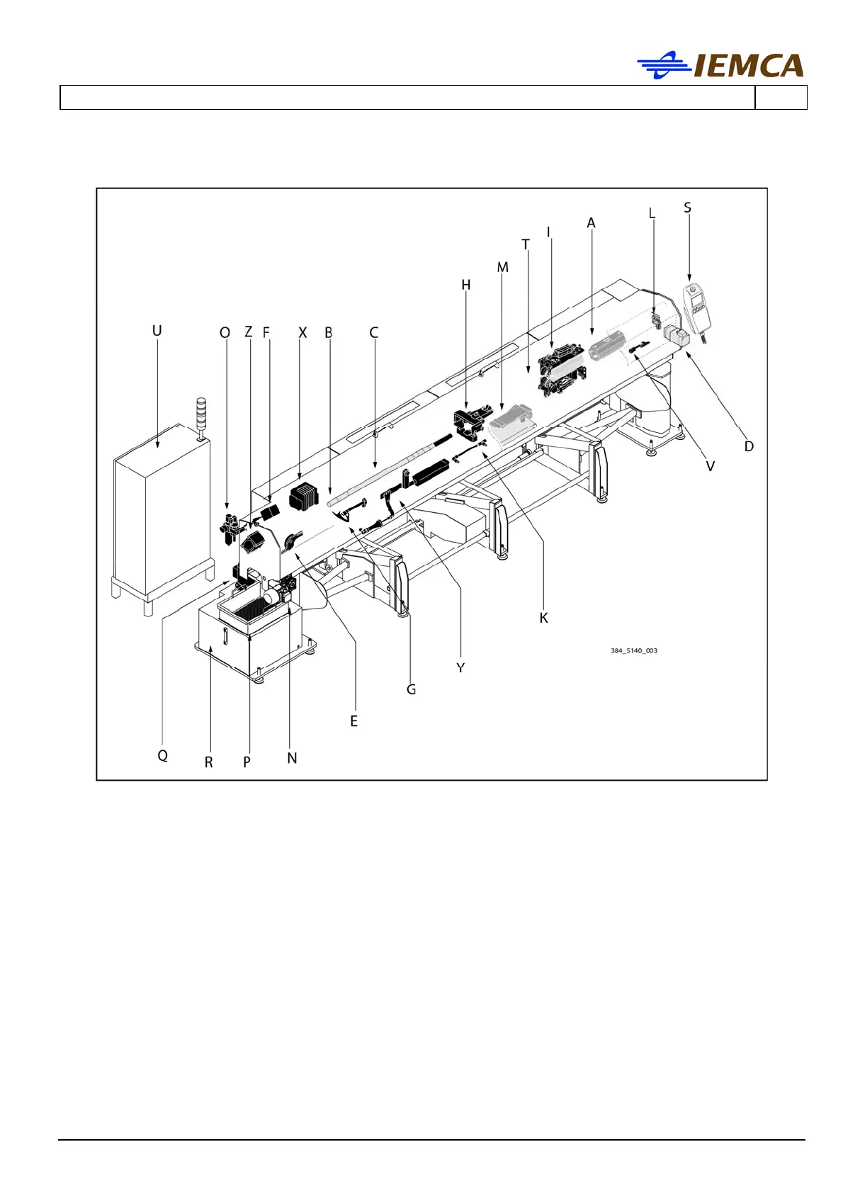
M REMNANT CONVEYOR BELT; carries the bar remnant from the ejection area to the recovery
box.
N REMNANT CONVEYOR BELT DRIVE; it moves the remnant conveyor belt.
P REMNANT RECOVERY BOX; collects the bar remnant.
Q LUBRICATION PUMP; delivers the lubricating oil to the guide channels.
R OIL TANK; contains the lubricating oil.
S HAND-HELD KEYBOARD; allows the bar feeder programming and function activation.
U ELECTRIC CABINET; houses the electrical control panel.
V AXIAL DISPLACEMENT; allows moving the bar feeder body away from the lathe.
X PNEUMATIC SOLENOID VALVES.
Z PNEUMATIC CLAMP CYLINDER

Table of Contents

Related product manuals