EasyManua.ls Logo

Intel 386 - Cascading External 82 C59 A Interrupt Controllers

Intel 386
691 pages
Print Icon
To Next Page IconTo Next Page
To Next Page IconTo Next Page
To Previous Page IconTo Previous Page
To Previous Page IconTo Previous Page
Loading...
9-31
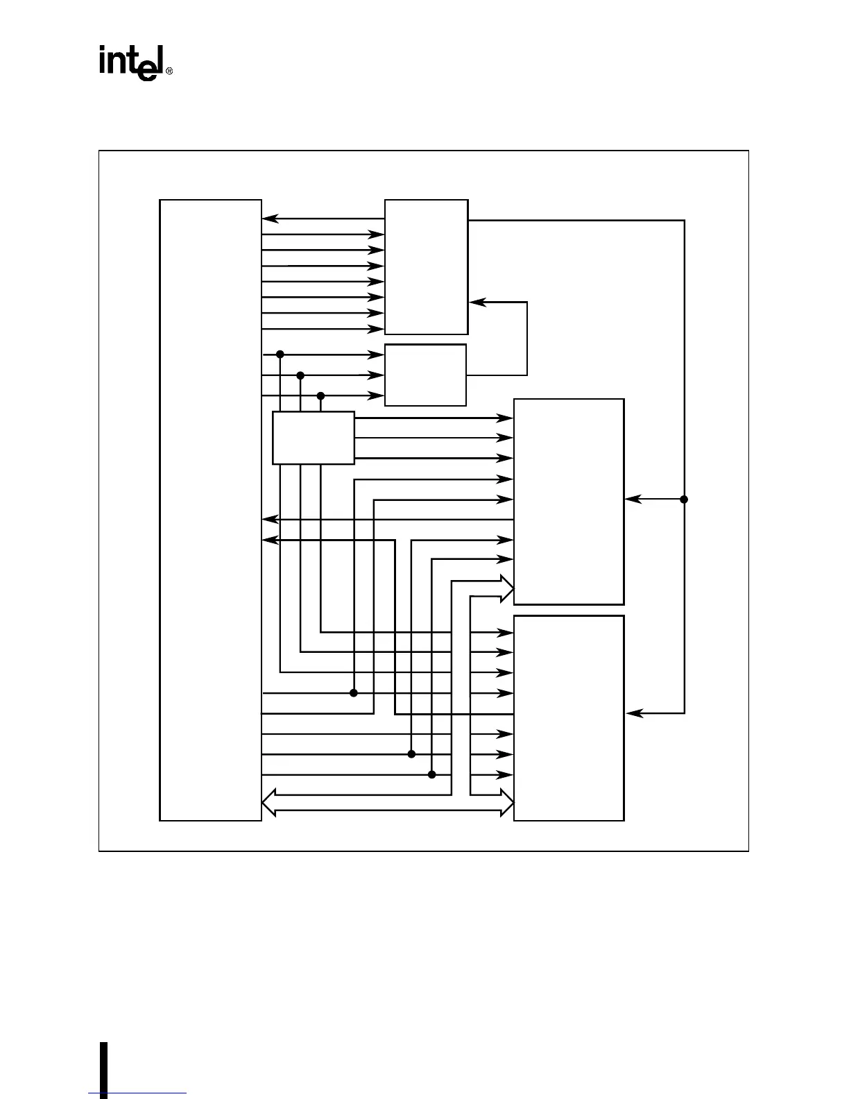
INTERRUPT CONTROL UNIT
Figure 9-19. Cascading External 82C59A Interrupt Controllers
A2857-01
READY#
W/R#
D/C#
ADS#
CLKOUT
CLK2
INTA#
and
READY#
State
Machine
INTA#
External
CAS
Decode
CAS0
CAS1
CAS2
External
BLE#
RD#
WR#
D7:0
82C59As
Intel386™ EX
Processor
PLD
CAS0
CAS1
CAS2
CS
x
#
INTA#
CS
y
#
D7:0
D7:0
A0
RD#
WR#
CS
y
#
CAS0
CAS1
CAS2
A0
RD#
WR#
CS
x
#
INTA#
Latch
INT
INT
y
INT
INT
x
LBA#
M/IO#
READY#

Table of Contents

Related product manuals