EasyManua.ls Logo

Intel 386 - DMA Unit Block Diagram

Intel 386
691 pages
Print Icon
To Next Page IconTo Next Page
To Next Page IconTo Next Page
To Previous Page IconTo Previous Page
To Previous Page IconTo Previous Page
Loading...
Intel386™ EX EMBEDDED MICROPROCESSOR USERS MANUAL
12-2
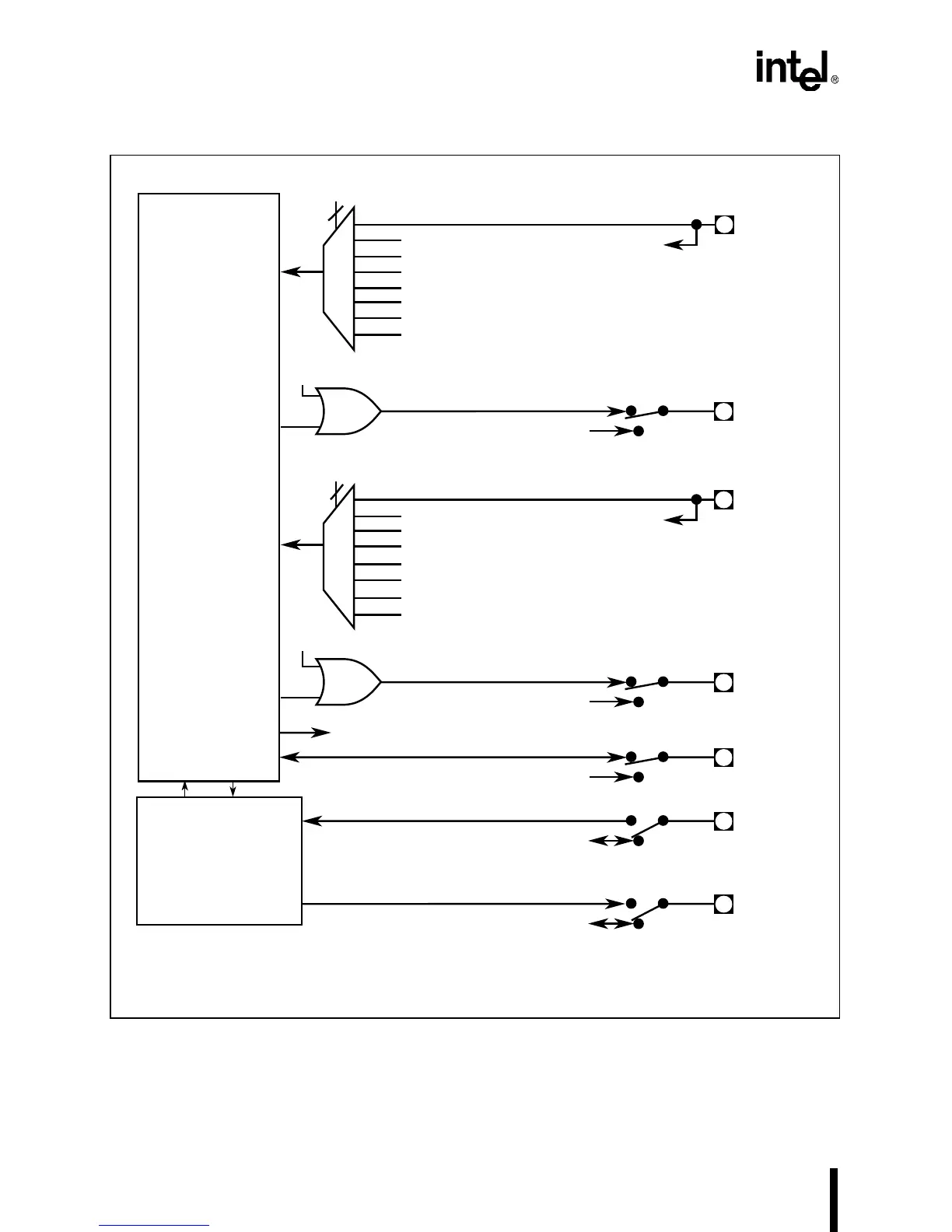
Figure 12-1. DMA Unit Block Diagram
A2531-02
DREQ0
DMAACK0#
DREQ1
DMAACK1#
DMAINT
DMA
Bus Arbiter
HOLD
HLDA
RBFDMA1 (SIO1 )
TXEDMA0 (SIO0)
SSRBF (SSIO)
DRQ0
(DCD1#)
To SIO1
DRQ1
(RXD1)
To SIO1
DACK0#
(CS5#)
DMACFG.3
From CSU
DACK1#
(TXD1)
DMACFG.7
From SIO1
DMACFG.6:4
3
DMACFG.2:0
PINCFG.4
PINCFG.2
EOP#
(CTS1#)
From SIO1
PINCFG.3
HOLD
(P1.6)
To/From I/O Port 1
P1CFG.6
HLDA
(P1.7)
To/From I/O Port 1
P1CFG.7
3
Alternate pin signals are in parentheses.
End of Process
OUT2 (TCU)
RBFDMA0 (SIO0)
TXEDMA1 (SIO1)
SSTBE (SSIO)
0
1
2
3
4
5
6
7
RBFDMA0 (SIO0)
TXEDMA1 (SIO1)
SSTBE (SSIO)
OUT1 (TCU)
RBFDMA1 (SIO1)
TXEDMA0 (SIO0)
SSRBF (SSIO)
0
1
2
3
4
5
6
7
1
0
1
0
1
0
0
1
1
0
To ICU

Table of Contents

Related product manuals